Конденсаторы в электронных схемах. Часть 2. Межкаскадная связь, фильтры, генераторы
Начало статьи: Конденсаторы в электронных схемах. Часть 1

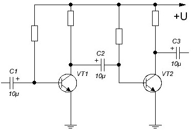
Наиболее распространенное применение конденсаторов это связь между отдельными транзисторными каскадами, как показано на рисунке 1. В таком случае конденсаторы называют переходными.
Переходные конденсаторы пропускают усиливаемый сигнал и препятствуют прохождению постоянного тока. При включении питания конденсатор C2 заряжается до напряжения на коллекторе транзистора VT1, после чего прохождение постоянного тока становится невозможным. Зато переменный ток (усиливаемый сигнал) заставляет конденсатор заряжаться и разряжаться, т.е. проходит через конденсатор к следующему каскаду.
Часто в транзисторных схемах, по крайней мере звукового диапазона, в качестве переходных применяют электролитические конденсаторы. Номинальные значения конденсаторов выбираются такими, чтобы усиливаемый сигнал проходил без особого ослабления.

Рисунок 1.
Фильтры нижних и верхних частот
Иногда возникает необходимость пропустить одни частоты и ослабить прохождение других. Такие задачи выполняются с помощью фильтров, которые создаются на базе RC цепей.
Существуют достаточно сложные многозвенные фильтры, имеющие даже свои собственные имена: Чебышёва, Бесселя, Баттерворта и др. Все они имеют свои отличительные особенности, характеристики и, как правило, несколько звеньев. Для компенсации потерь в такие фильтры вводится активный элемент – транзисторный каскад или операционный усилитель. Такие фильтры называются активными.
Простейшие пассивные фильтры можно создать всего из двух деталей – резистора и конденсатора. На рисунке 2 показана схема простейшего фильтра нижних частот (ФНЧ). Такой фильтр беспрепятственно пропускает низкие частоты, а начиная с частоты среза, несколько ослабляет сигнал на выходе.

Рисунок 2. Схема фильтра нижних частот (ФНЧ)
Простейший ФНЧ состоит всего из двух деталей — последовательно соединенных резистора и конденсатора. Входной сигнал с генератора подается на последовательную RC цепочку, а выходной снимается с конденсатора C. На низких частотах емкостное сопротивление конденсатора больше, чем сопротивление резистора Xc=1/2*π*f*C, поэтому на нем возникает большое падение напряжения.
При увеличении частоты емкостное сопротивление конденсатора уменьшается, поэтому падение напряжения или просто напряжение на нем становится меньше. Предполагается, что генератор настроен не на одну частоту, частота его изменяется. Подобные генераторы называются генераторами качающейся частоты или свип-генераторами. Частотная характеристика простейшего ФНЧ показана на рисунке 3.

Рисунок 3. Частотная характеристика ФНЧ
Если на рисунке 2 поменять местами конденсатор и резистор, то получится фильтр верхних частот (ФВЧ). Его схема показана на рисунке 4. Основная задача ФВЧ ослабить частоты ниже частоты среза и пропустить частоты, находящиеся выше.

Рисунок 4. Схема фильтра верхних частот (ФВЧ)
В этом случае входной сигнал подается на конденсатор, а выходной снимается с резистора. На низких частотах емкостное сопротивление велико, поэтому на резисторе падение напряжения получается маленьким.
Для наглядности и простоты восприятия (все познается в сравнении) можно конденсатор мысленно заменить на резистор: вместо конденсатора пусть будет 100КОм, а выходной резистор 10КОм. Получается просто делитель напряжения. Только в случае с конденсатором этот делитель получается частотно зависимым. Частотная характеристика такого простейшего ФВЧ показана на рисунке 5.

Рисунок 5. Частотная характеристика ФВЧ
На высоких частотах сопротивление конденсатора уменьшается, соответственно падение напряжения на резисторе, оно же выходное напряжение ФВЧ возрастает.
Если сравнить рисунки 3 и 5 нетрудно заметить, что крутизна спада характеристик не очень то и крута. А что можно было ожидать от таких простейших схем? Но и они имеют право на жизнь, и в электронных схемах применяются достаточно часто.
Как сдвинуть фазу
На любую вещь можно посмотреть с разных сторон, и увидеть ее совсем в другом свете. Вот и только что рассмотренные RC цепи можно применить не как частотные фильтры, а как фазосдвигающие элементы. Вот что получится, если на схему, показанную на рисунке 6 подать переменный ток?

Рисунок 6.
А получится вот что. Входное напряжение подается на конденсатор, выходное снимается с резистора. Входной ток через конденсатор опережает входное напряжение. Поэтому падение напряжения на резисторе, а в целом на выходе фазосдвигающей цепи, опережает входное.
Если резистор и конденсатор поменять местами, как показано на рисунке 7, то получится цепь, напряжение на выходе которой, отстает от входого. Ну прямо в точности до наоборот, как в предыдущей схеме.

Рисунок 7.
Подобные фазосдвигающие цепочки позволяют осуществить небольшой сдвиг между входным и выходным сигналами, как правило, не более 60 градусов. В случаях, когда сдвиг требуется в больших масштабах, используется последовательное включение нескольких цепочек.

Рисунок 8. Фазосдвигающие цепочки
Такое включение сразу стольких пассивных элементов приводит к значительному ослаблению входного сигнала. Чтобы восстановить исходный уровень, требуется применение усилительных каскадов.
В радиолюбительской практике часто возникают ситуации, когда внезапно и вдруг потребуется генератор синусоиды, даже не перестраиваемый, а так, просто на одну частоту. Тогда берется в руки паяльник, несколько бросовых деталей, и скоро в комнате мелодично звучит синусоида. Кто слышал, тот знает, о чем речь.
Генератор синусоиды
Можно собрать всего на одном транзисторе. По сути, генератор представляет собой усилитель на одном транзисторе, охваченный положительной обратной связью с помощью фазосдвигающих цепочек. А любая положительная обратная связь приводит к появлению генерации. И этот случай не исключение.
Синусоидальный сигнал снимается с коллектора транзистора, лучше через разделительный конденсатор. Совсем хорошо не пожалеть еще один транзистор и снимать выходной сигнал через эмиттерный повторитель.
Однотранзисторный генератор в программе Multisim
Принципиальная схема виртуального генератора показана на рисунке 9.

Рисунок 9. Схема однотранзисторного генератора в программе Multisim
Здесь все понятно и просто: собственно сам генератор с батарейкой и осциллограф. Хотя можно к этой простой схеме добавить комментарий, вдруг, кто возьмется повторить?
При включении схема начинает работать не сразу. Сначала на осциллографе проходит несколько пустых разверток, потом начинает появляться синусоида малого напряжения, постепенно увеличиваясь до нескольких вольт. Результаты исследования показаны на рисунке 10.

Рисунок 10.
Виртуальная схема это, конечно, хорошо. Но если кто-нибудь решится собрать это схему в металле, ну хотя бы на беспаечной макетной плате, основное внимание следует уделить настройке. Собственно вся настройка заключается в точном подборе сопротивления резистора R2, задающего рабочую точку транзистора.
Чтобы ускорить процесс настройки вместо него можно временно подключить подстроечный резистор килоом 100…200. При этом последовательно с ним не забыть включить ограничительный резистор приблизительно 10…20КОм.
В качестве транзистора вполне подойдет отечественный КТ315 или подобный. Конденсаторы любые малогабаритные керамические. Работу генератора можно проконтролировать с помощью осциллографа или усилителя звуковой частоты.
Борис Аладышкин
Популярные публикации:
- Конденсаторы в электронных схемах
- Конденсаторы для электроустановок переменного тока
- Программирование микроконтроллеров для начинающих
Надеюсь, что эта статья была для вас полезной. Смотрите также другие статьи в категории Электрическая энергия в быту и на производстве » Практическая электроника
Подписывайтесь на наш канал в Telegram: Мир электричества
Здесь можно оствавить комментарий, задать вопрос и просто пообщаться:
Чат по электротехнической тематике
О сайте Электрик Инфо и авторах статей