Несколько простых схем питания светодиодов
Несмотря на богатый выбор в магазинах светодиодных фонариков различных конструкций, радиолюбители разрабатывают свои варианты схем для питания белых суперярких светодиодов. В основном задача сводится к тому, как запитать светодиод всего от одной батарейки или аккумулятора, провести практические исследования.
После того, как получен положительный результат, схема разбирается, детали складываются в коробочку, опыт завершен, наступает моральное удовлетворение. Часто исследования на этом останавливаются, но иногда опыт сборки конкретного узла на макетной плате переходит в реальную конструкцию, выполненную по всем правилам искусства. Далее рассмотрены несколько простых схем, разработанных радиолюбителями.
В ряде случаев установить, кто является автором схемы очень трудно, поскольку одна и та же схема появляется на разных сайтах и в разных статьях. Часто авторы статей честно пишут, что эту статью нашли в интернете, но кто опубликовал эту схему впервые, неизвестно. Многие схемы просто срисовываются с плат тех же китайских фонариков.
Автор статьи, которую Вы сейчас читаете, на авторство схем тоже не претендует, это просто небольшая подборка схем на «светодиодную» тему.

Зачем нужны преобразователи
Все дело в том, что прямое падение напряжения на светодиоде, как правило, не менее 2,4…3,4В, поэтому от одной батарейки с напряжением 1,5В, а тем более аккумулятора с напряжением 1,2В зажечь светодиод просто невозможно. Тут есть два выхода. Либо применять батарею из трех или более гальванических элементов, либо строить хотя бы самый простой DC-DC преобразователь.
Именно преобразователь позволит питать фонарик всего от одной батарейки. Такое решение уменьшает расходы на источники питания, а кроме того позволяет полнее использовать заряд гальванического элемента: многие преобразователи работоспособны при глубоком разряде батареи до 0,7В! Использование преобразователя также позволяет уменьшить габариты фонарика.
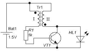
Простейшая схема для питания светодиода
Схема представляет собой блокинг-генератор. Это одна из классических схем электроники, поэтому при правильной сборке и исправных деталях начинает работать сразу. Главное в этой схеме правильно намотать трансформатор Tr1, не перепутать фазировку обмоток.

В качестве сердечника для трансформатора можно использовать ферритовое кольцо с платы от негодной энергосберегающей люминесцентной лампы. Достаточно намотать несколько витков изолированного провода и соединить обмотки, как показано на рисунке ниже.

Трансформатор можно намотать обмоточным проводом типа ПЭВ или ПЭЛ диаметром не более 0,3мм, что позволит уложить на кольцо чуть большее количество витков, хотя бы 10…15, что несколько улучшит работу схемы.
Обмотки следует мотать в два провода, после чего соединить концы обмоток, как показано на рисунке. Начало обмоток на схеме показано точкой. В качестве транзистора можно использовать любой маломощный транзистор n-p-n проводимости: КТ315, КТ503 и подобные. В настоящее время проще найти импортный транзистор, например BC547.
Если под рукой не окажется транзистора структуры n-p-n, то можно применить транзистор проводимости p-n-p, например КТ361 или КТ502. Однако, в этом случае придется поменять полярность включения батарейки.
Резистор R1 подбирается по наилучшему свечению светодиода, хотя схема работает, даже если его заменить просто перемычкой. Вышеприведенная схема предназначена просто «для души», для проведения экспериментов. Так после восьми часов беспрерывной работы на один светодиод батарейка с 1,5В «садится» до 1,42В. Можно сказать, что почти не разряжается.
Для исследования нагрузочных способностей схемы можно попробовать подключить параллельно еще несколько светодиодов. Например, при четырех светодиодах схема продолжает работать достаточно стабильно, при шести светодиодах начинает греться транзистор, при восьми светодиодах яркость заметно падает, транзистор греется весьма сильно. А схема, все-таки, продолжает работать. Но это только в порядке научных изысканий, поскольку транзистор в таком режиме долго не проработает.
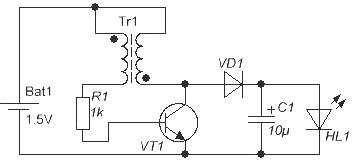
Преобразователь с выпрямителем
Если на базе этой схемы планируется создать простенький фонарик, то придется добавить еще пару деталей, что обеспечит более яркое свечение светодиода.

Нетрудно видеть, что в этой схеме светодиод питается не пульсирующим, а постоянным током. Естественно, что в этом случае яркость свечения будет несколько выше, а уровень пульсаций излучаемого света будет намного меньше. В качестве диода подойдет любой высокочастотный, например, КД521 (принцип действия полупроводникового диода).
Преобразователи с дросселем
Еще одна простейшая схема показана на рисунке ниже. Она несколько сложнее, чем схема на рисунке 1, содержит 2 транзистора, но при этом вместо трансформатора с двумя обмотками имеет только дроссель L1. Такой дроссель можно намотать на кольце все от той же энергосберегающей лампы, для чего понадобится намотать всего 15 витков обмоточного провода диаметром 0,3…0,5мм.

При указанном параметре дросселя на светодиоде можно получить напряжение до 3,8В (прямое падение напряжения на светодиоде 5730 3,4В), что достаточно для питания светодиода мощностью 1Вт. Наладка схемы заключается в подборе емкости конденсатора C1 в диапазоне ±50% по максимальной яркости светодиода. Схема работоспособна при снижении напряжения питания до 0,7В, что обеспечивает максимальное использование емкости батареи.
Если рассмотренную схему дополнить выпрямителем на диоде D1, фильтром на конденсаторе C1, и стабилитроном D2, получится маломощный блок питания, который можно применить для питания схем на ОУ или других электронных узлов. При этом индуктивность дросселя выбирается в пределах 200…350 мкГн, диод D1 с барьером Шоттки, стабилитрон D2 выбирается по напряжению питаемой схемы.

При удачном стечении обстоятельств с помощью такого преобразователя можно получить на выходе напряжение 7…12В. Если предполагается использовать преобразователь для питания только светодиодов, стабилитрон D2 можно из схемы исключить.
Все рассмотренные схемы являются простейшими источниками напряжения: ограничение тока через светодиод осуществляется примерно так же, как это делается в различных брелоках или в зажигалках со светодиодами.
Светодиод через кнопку включения, без всякого ограничительного резистора, питается от 3…4-х маленьких дисковых батареек, внутреннее сопротивление которых ограничивает ток через светодиод на безопасном уровне.
Схемы с обратной связью по току
А светодиод является, все-таки, токовым прибором. Неспроста в документации на светодиоды указывается именно прямой ток. Поэтому настоящие схемы для питания светодиодов содержат обратную связь по току: как только ток через светодиод достигает определенного значения, выходной каскад отключается от источника питания.
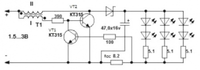
В точности также работают и стабилизаторы напряжения, только там обратная связь по напряжению. Ниже показана схема для питания светодиодов с токовой обратной связью.

При внимательном рассмотрении можно увидеть, что основой схемы является все тот же блокинг-генератор, собранный на транзисторе VT2. Транзистор VT1 является управляющим в цепи обратной связи. Обратная связь в данной схеме работает следующим образом.
Светодиоды питаются напряжением, которое накапливается на электролитическом конденсаторе. Заряд конденсатора производится через диод импульсным напряжением с коллектора транзистора VT2. Выпрямленное напряжение используется для питания светодиодов.
Ток через светодиоды проходит по следующему пути: плюсовая обкладка конденсатора, светодиоды с ограничительными резисторами, резистор токовой обратной связи (сенсор) Roc, минусовая обкладка электролитического конденсатора.
При этом на резисторе обратной связи создается падение напряжения Uoc=I*Roc, где I ток через светодиоды. При возрастании напряжения на электролитическом конденсаторе (генаратор, все-таки, работает и заряжает конденсатор), ток через светодиоды увеличивается, а, следовательно, увеличивается и напряжение на резисторе обратной связи Roc.
Когда Uoc достигает 0,6В транзистор VT1 открывается, замыкая переход база-эмиттер транзистора VT2. Транзистор VT2 закрывается, блокинг-генератор останавливается, и перестает заряжать электролитический конденсатор. Под воздействием нагрузки конденсатор разряжается, напряжение на конденсаторе падает.
Уменьшение напряжения на конденсаторе приводит к снижению тока через светодиоды, и, как следствие, уменьшению напряжения обратной связи Uoc. Поэтому транзистор VT1 закрывается и не препятствует работе блокинг-генератора. Генератор запускается, и весь цикл повторяется снова и снова.
Изменяя сопротивление резистора обратной связи можно в широких пределах изменять ток через светодиоды. Подобные схемы называются импульсными стабилизаторами тока.
Интегральные стабилизаторы тока
В настоящее время стабилизаторы тока для светодиодов выпускаются в интегральном исполнении. В качестве примеров можно привести специализированные микросхемы ZXLD381, ZXSC300. Схемы, показанные далее, взяты из даташитов (DataSheet) этих микросхем.

На рисунке показано устройство микросхемы ZXLD381. В ней содержится генератор ШИМ (Pulse Control), датчик тока (Rsense) и выходной транзистор. Навесных деталей всего две штуки. Это светодиод LED и дроссель L1. Типовая схема включения показана на следующем рисунке. Микросхема выпускается в корпусе SOT23. Частота генерации 350КГц задается внутренними конденсаторами, изменить ее невозможно. КПД устройства 85%, запуск под нагрузкой возможен уже при напряжении питания 0,8В.

Прямое напряжение светодиода должно быть не более 3,5В, как указано в нижней строчке под рисунком. Ток через светодиод регулируется изменением индуктивности дросселя, как показано в таблице в правой части рисунка. В средней колонке указан пиковый ток, в последней колонке средний ток через светодиод. Для снижения уровня пульсаций и повышения яркости свечения возможно применение выпрямителя с фильтром.

Здесь применяется светодиод с прямым напряжением 3,5В, диод D1 высокочастотный с барьером Шоттки, конденсатор C1 желательно с низким значением эквивалентного последовательного сопротивления (low ESR). Эти требования необходимы для того, чтобы повысить общий КПД устройства, по возможности меньше греть диод и конденсатор. Выходной ток подбирается при помощи подбора индуктивности дросселя в зависимости от мощности светодиода.
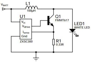
Микросхема ZXSC300
Отличается от ZXLD381 тем, что не имеет внутреннего выходного транзистора и резистора-датчика тока. Такое решение позволяет значительно увеличить выходной ток устройства, а следовательно применить светодиод большей мощности.

В качестве датчика тока используется внешний резистор R1, изменением величины которого можно устанавливать требуемый ток в зависимости от типа светодиода. Расчет этого резистора производится по формулам, приведенным в даташите на микросхему ZXSC300. Здесь эти формулы приводить не будем, при необходимости несложно найти даташит и подсмотреть формулы оттуда. Выходной ток ограничивается лишь параметрами выходного транзистора.
При первом включении всех описанных схем желательно батарейку подключать через резистор сопротивлением 10Ом. Это поможет избежать гибели транзистора, если, например, неправильно подключены обмотки трансформатора. Если с этим резистором светодиод засветился, то резистор можно убирать и проводить дальнейшие настройки.
Смотрите дальше: Хорошие и плохие схемы подключния светодиодов
Борис Аладышкин
Популярные публикации:
- Ремонт светодиодных ламп — замена светодиода в неисправной лампе
- Проведение измерений с помощью осциллографа
- Как пользоваться осциллографом
Надеюсь, что эта статья была для вас полезной. Смотрите также другие статьи в категории Практическая электроника, Все про светодиоды
Подписывайтесь на наш канал в Telegram: Мир электричества
Здесь можно оствавить комментарий, задать вопрос и просто пообщаться:
Чат по электротехнической тематике
О сайте Электрик Инфо и авторах статей