Однофазные выпрямители: типовые схемы, осциллограммы и моделирование
Выпрямитель используется в цепи переменного тока для его преобразования в постоянный. Наиболее распространенным является выпрямитель, собранный из полупроводниковых диодов. При этом он, может быть собрать из дискретных (отдельных) диодов, либо быть в одном корпусе (диодная сборка).
Давайте рассмотрим, что такое выпрямитель, какими они бывают, а в конце статьи проведем имитационное моделирование в среде Multisim. Моделирование помогает закрепить теорию на практике, без сборки и реальных компонентов просмотреть формы напряжений и токов в цепи.

Схемы выпрямителей переменного напряжения
На изображениях выше представлен внешний вид диодных мостов. Но это не единственная схема выпрямления. Для однофазного напряжения существует три распространенных схемы выпрямления:
1. 1-полупериодная (1ф1п).
2. 2-полупериодная (1ф2п).
3. 2-полупериодная со средней точкой (1ф2п).
Однополупериодная схема выпрямления
Самая простая схема состоит всего лишь из одного диода, даёт на выходе постоянное нестабилизированное пульсирующее напряжение. Диоды подключается в цепь питания на фазный провод, либо на один из выводов обмотки трансформатора, вторым концом к нагрузке, второй полюс нагрузки – к нулевому проводу или второму выводу обмотки трансформатора.

Действующее значение напряжение в нагрузке равняется примерно половине амплитудного. Амплитудное значение напряжения это размах синусоиды питающей сети в общем случае для переменного тока
Uампл = Uдейств * √2.
Для электросетей России действующие напряжение однофазной сети – 220 В, а амплитудное примерно 311
Простыми словами – на выходе мы получаем пульсации длиною в пол периода (20 мс для 50 Гц) от 0 В, до 311 В. В среднем напряжение получается меньше чем 220 вольт, это используют для питания нетребовательных к качеству напряжения потребителей или для включения ламп накаливания в подсобных, хозяйственных помещениях и подъездах. Так снижается потребляемая мощность и возрастает срок службы.
Лирическое отступление:
Долговечность таких светильников колоссальная, я пришел в цех год назад, а лампу установили еще в 2013 году, так она до сих пор светит по 12 часов каждые сутки. Но такой свет нельзя использовать в рабочих помещениях, из-за высоких пульсаций. Осциллограмы входных и выходных напряжений изображены ниже:

Однополупериодная схема отсекает только одну полуволну, что вы и видите на эпюре выше. Из-за такого питания мы получаем большой коэффициент пульсаций.
Стоит сказать, что если немного сменить тему и перейти от сетевых выпрямителей, то однополупериодная схема широко используется в импульсной схемотехнике, выпрямляя напряжение вторичной обмотки импульсного трансформатора.
На маломощных импульсных источниках питания тоже используют эту схему. Именно так, скорее всего, сделано ваше зарядное устройство для мобильного телефона.
Двухполупериодная схема
Для снижения коэффициента пульсаций и ёмкости фильтра используют другую схему – двухполупериодную. Называется она – диодный мост. Переменное напряжение поступает на точку соединения разноименных полюсов диодов, а постоянное по знаку с одноименных. Выходное напряжение такого моста называют выпрямленным пульсирующим (или не стабилизированным). Именно такое включение диодов наиболее распространено во всех сферах электроники.

На эпюрах вы видим, что обе вторая полуволна переменного напряжения «переворачивается» и поступает в нагрузку. В первую половину периода ток протекает через диоды VD1-VD4, во вторую через пару VD2-VD3.

Напряжение на выходе пульсирует с частотой в 100 Гц
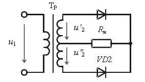
Вторая схема используется в источниках питания со средней точкой, по сути это две однополупериодные объединенные со вторичной обмоткой трансформатора со средней точкой. Аноды подсоединяются к крайним концам обмотки, катоды к одному вывод нагрузки (плюсовой), второй вывод нагрузки подсоединяется к отводу от середины обмотки (средней точке).

График выходного напряжения аналогичен и мы его рассматривать не будем. Существенное отличие лишь в том, что ток одновременно протекает через один диод, а не через пару как в мосте. Это снижает потери энергии на диодном мосте и лишний нагрев полупроводников.
Уменьшение коэффициента пульсаций
Коэффициент пульсаций – это величина, которая отражает насколько сильно пульсирует выходное напряжение. Или наоборот – насколько стабильно и равномерно ток подаётся в нагрузку.
Чтобы снизить коэффициент пульсаций параллельно нагрузке (выходу диодного моста) устанавливают всевозможные фильтры. Самый простой вариант – установить конденсатор. Чтобы пульсации были как можно меньше, постоянная времени Rнагрузки Cфильтра должна быть на порядок (а лучше несколько) больше периода пульсаций (в нашем случае 10 мс).
Для этого либо нагрузка должна иметь высокое сопротивление и малый ток, либо ёмкость конденсатора достаточно большой.
Расчетное соотношение для подбора конденсатора выглядит так:

Кп – это требуемый коэффициет пульсаций.
Kп= Uампл/Uсрвыпр
Для улучшения ряда характеристик фильтра могут применяться LC цепи, соединенные по схеме Г или П-фильтра, в отдельных случаях и другие конфигурации. Недостатком использования LC фильтров в радиолюбительской практики является необходимость подбора фильтрующего дросселя. А нужного по номиналу (индуктивности и току) зачастую нет под рукой. Поэтому приходится либо мотать самому, либо выходить из сложившейся ситуации другим образом – выпаяв из подобного по мощности блока питания.
Моделирование однофазных выпрямителей
Давайте закрепим эту информацию на практике и займемся моделированием электроцепей. Я решил, что для создания модели такой простой схемы отлично подойдет пакет Multisim – он наиболее прост в освоении из всех мне известных и меньше всего требует ресуров.
Однако алгоритмы моделирования у него проще чем в Orcad или Simulink (хотя это и математическое моделирование, а не имитационное), поэтому результаты моделирования некоторых схем не являются достоверными. Multisim подходит для изучения основ электроники, режимов работы транзистора, операционных усилителей.
Не стоит недооценивать возможностей этой программы, при должном подходе она способна отобразить работу сложных устройств.
Мы рассмотрим модели первых двух схем, третья схема, по существу аналогична второй, но имеет меньшие потери за счет исключения двух ключей и большую сложность – из-за необходимости применения трансформатора с отводом от середины вторичной обмотки.
Однополупериодная схема

Схема, по которой происходит моделирование
Источник питания имитирует однофазную бытовую сеть с характеристиками:
-
синусоидальный ток;
-
220 в действующее напряжение;
-
частота – 50 гц.
В программе я не нашел амперметра и вольтметра, их роль выполняют мультиметры. Позже обратите внимание на обилие их настройки, и возможность выбора рода тока.
В приведенной модели мультиметр XMM1 – измеряет ток в нагрузке, XMM3 – напряжение на выходе выпрямителя, XMM2 – напряжение на входе, XSC2 – осциллограф. Обращайте внимание на подписи элементов – это исключит вопросы при анализе рисунков, которые будут ниже. Кстати в Multisim представлены модели реальных диодов, я выбрал самый распространенный 1n4007.

Красным цветом изображена осциллограмма на входе (канал А) в поле с результатами измерений. Синим цветом – выходное напряжение (канал В). У первого канала цена деления одной клеточки по вертикали – 200 В/дел, а у второго канала – 500. Я нарочно так сделал, чтоб разделить осциллограммы визуально иначе они сливались. Желтая вертикальная линия в левой трети экрана – это измеритель, величина напряжений в точке с максимальной амплитудой описана ниже черного экрана.
Амплитуда входа – 311.128 В, как и было сказано в начале статьи, а на выходе – 310.281 разница почти в один вольт обусловлена падением на диоде. В правой части изображения результаты измерений мультиметров. Названия окон соответствуют названиям мультиметров XMM в схеме.
Из эпюры мы видим, что действительно в нагрузку поступает только одна полуволна напряжения, а среднее его значение – 98 В, что больше чем в двое меньше входного действующего 220 В переменного по знаку.
На следующей схеме мы добавили фильтрующий конденсатор и один мультиметр для измерения тока нагрузки, запомните их подписи, чтобы не запутаться при изучении рисунков.
Резистор перед диодом нужен для измерения тока заряда конденсатор, чтобы узнать ток – разделите число вольт на 1 (сопротивление). Однако в дальнейшем мы заметим, что при больших токах на резисторе падает значительное напряжение, которое может сбить с толку при измерениях, в реальных условиях – это вызвало бы нагрев резистора и потерю КПД.

На осциллограмме изображено оранжевым входное напряжение, а красным входной ток. Кстати здесь заметен сдвиг тока в сторону опережения напряжения.

На осциллограмме выходного сигнала мы видим как работает конденсатор – напряжение в нагрузке в то время, когда диод закрыт и проходит одна полуволна, спадает плавно, среднее его значение вырастает, а пульсации снижаются. После, на положительной полуволне, конденсатор подзаряжается и процесс повторяется.

Увеличив сопротивление нагрузки в 10 раз, мы снизили ток, конденсатор не успевает разряжаться, пульсации стали гораздо меньше, таким образом мы доказали теоретические сведения описанные в предыдущем разделе о пульсациях и влиянии на них тока и ёмкости. Для того чтобы показать это мы могли изменить ёмкость конденсатора.

Входной сигнал тоже изменился – токи заряда снизились, а их форма осталась прежней.

Двухполупериодная схема
Давайте рассмотрим, как выглядит в действии схема выпрямления обоих полупериодов. Мы установили на вход диодный мост.

На осциллограммах видно, что в нагрузку поступают обе полуволны, но пульсации очень большие.

На входной осциллограмме появилась нижня часть полуволны у тока (красным цветом).

Снизим пульсации установив фильтрующий электролитическй конденсатор по входу. На практике желательно параллельно ему установить еще и керамический, чтобы снизить высокочастотные составляющие синусоиды (гармоники).

На входной осциллограмме видно, что добавилась обратная полуволна при заряде конденсатора (она становится положительной после моста).

На выходной осциллограмме видно, что пульсации стали меньше чем в первой схеме с фильтрующим конденсатором, обратите внимание – напряжение стремится к амплитудному, чем меньше пульсаций – тем ближе его среднее значение к амплитуде.

Если увеличить ток нагрузки в 20 раз, снизив её сопротивление, мы увидим сильные пульсации на выходе.

И бОльшие токи зарядов на входе, очень заметно смещение тока фазы. Процесс заряда конденсатора происходит не линейно, а экспоненциально, поэтому мы видим, что напряжение повышается, а ток падает.

Заключение
Выпрямители широко используются во всех сферах электроники и электричестве в целом. Выпрямительные цепи устанавливаются везде – от миниатюрных блоков питания и радиоприёмниках до цепей питания мощнейших двигателей постоянного тока в крановом оборудовании.
Моделирование отлично помогает понять процессы протекающих в схемах и изучить, как изменяются токи от изменения параметров цепи. Развитие современных технологий позволяет изучать сложные электрические процессы без наличия дорогого оборудования типа спектральных анализаторов, частотомеров, осциллографов, самописцев и сверхточных вольт-амперметров. Оно позволяет избежать ошибок при проектировании схем перед сборкой.
Популярные публикации:
- Быстрая сборка схем на беспаечных макетных платах
- Как проверить симистор
- Как применять фоторезисторы, фотодиоды и фототранзисторы
Надеюсь, что эта статья была для вас полезной. Смотрите также другие статьи в категории Электрическая энергия в быту и на производстве » Практическая электроника
Подписывайтесь на наш канал в Telegram: Мир электричества
Здесь можно оствавить комментарий, задать вопрос и просто пообщаться:
Чат по электротехнической тематике
О сайте Электрик Инфо и авторах статей