Простые устройства дистанционного управления электроприемниками по телефону

В настоящее время уже выпускается промышленным способом множество всяких устройств, управляемых по стандарту GSM (Global System for Mobile Communication), — цифровой стандарт мобильной связи или всем привычный теперь мобильник. Это охранная сигнализация, различные шкафы управления промышленным оборудованием, а то и просто отдельные розетки, как показано на рисунке 1.
Конструкция с виду представляет собой обычный переходник, который вставляется в настенную розетку. Нагрузка может включаться звонком или передачей sms по мобильному телефону. Также возможно ручное управление с помощью двух кнопок, расположенных на передней панели. Мощность, коммутируемая такими розетками, в зависимости от модели находится в пределах 1 — 5 Квт, что позволяет включать практически любую нагрузку.
Также производятся многоканальные розетки, наподобие компьютерной «лапты», позволяющие управлять независимо работой нескольких нагрузок. Такие устройства являются одним из элементов «умного дома», а стало быть, цена их достаточно высока: если поискать на просторах Интернета, то цены колеблются в пределах 1000 — 3500 и более рублей.

Рисунок 1. Модуль дистанционного sms управления
Например, розетка с дистанционным управлением по sms (может управляться 5 пользователями) со встроенным датчиком температуры. С помощью датчика розетка может автоматически выключать и выключать бытовые приборы в соответствии с температурой окружающей стреды:

Рисунок 2. Розетка с дистанционным sms управлением
Еще дороже, чем отдельные розетки стоят промышленные модули. В качестве примера на рисунке 2 показано предложение Интернет –магазина о продаже модуля управления ДТМФ.

Рисунок 3.
Вот именно с этого рисунка и появилась на поверхности непонятная пока аббревиатура ДТМФ. Что это такое, посмотрим чуть ниже.
Сигналы DTMF
В старых телефонах набор номера производился вращением диска: пальцем заводилась пружина номеронабирателя на нужное количество цифр, диск крутился назад, замыкая контакт, а в трубке прослушивались щелчки. Такой набор называли импульсным. Импульсный набор использовался и в современных аппаратах с кнопочным номеронабирателем.
В настоящее время используется, так называемый, тональный набор. Попробуйте по городскому телефону набирать номер, — в трубке прослушиваются звуки разной тональности. Это прослушиваются сигналы DTMF, — Dual-Tone Multi-Frequency, — двухтональный мультичастотный сигнал. На рисунке 4 показана таблица, по которой формируются цифры и некоторые знаки, передаваемые при наборе номера.

Рисунок 4.
Например, цифре «1» соответствует сочетание частот 697 и 1209 Гц, а цифре «9» 852 и 1477 Гц. Частоты подобраны таким образом, чтобы передаваясь вместе, они не образовали гармоник. Для расшифровки тональных посылок существуют специализированные микросхемы — декодеры, например IL9270N, HM9270, MT8870. Это просто аналоги разных фирм. Они могут отличаться даже количеством выводов, или как теперь на иностранный манер пинов (от английского pin), но выполняют одни и те же функции.
Кроме этих специализированных декодеров сигналы DTMF могут быть расшифрованы на цифровых ЭВМ с использованием алгоритма Герцеля. Естественно, эти сигналы могут быть расшифрованы и с помощью микроконтроллеров или, как их иногда называют, встраиваемых ЭВМ.
Кроме набора телефонного номера DTMF – технология широко применяется в системах «умного дома», тревожных и охранных сигнализациях. Метки DTMF используются также в коммерческом радиовещании.
Система DTMF была разработана еще в 1961 году, но до России дошла лишь в девяностых годах прошлого века. Сначала тональный набор предоставлялся как платная услуга, и то не везде, поскольку тональный набор возможен лишь на современных цифровых телефонных станциях. А вообще, до сих пор во многих местах эксплуатируются допотопные релейные станции, которые позволяют пользоваться только импульсным набором номера.
А теперь, попробуйте проделать такой опыт: позвоните по сотовому, ну хотя бы своему коллеге по работе, ведь целый день находитесь в одной комнате. После того, как он «поднимет трубку» нажимайте на своем телефоне любые цифры: в динамике его телефона будут прослушиваться сигналы DTMF в виде коротких музыкальных звуков. (Согласно законам физики, музыкальными называются звуки, имеющие определенную частоту). Например, шум на улице, музыкальным звуком считать нельзя.
Эти же звуки присутствуют и в динамике телефонной гарнитуры: дело за малым, — просто подключить дешифратор DTMF в разъем гарнитуры и вот, пожалуйста, готовое устройство управления. В некоторых случаях количество управляемых нагрузок всего-навсего одна, и требуется ее в любое время включить или выключить.
Самодельные устройства дистанционного управления по телефону
Далее будут рассмотрены несколько простых устройств и одно из них выполнено просто на реле, причем всего на одном.
Несколько слов о работе схемы. Основой устройства является поляризованное реле. Как видно по схеме, оно имеет две катушки, включенные таким образом, что при подаче напряжения на одну катушку якорь реле притягивается к одному сердечнику, и остается в таком положении даже, если напряжения на катушке уже не будет, — там внутри реле есть магнитик.
Для того, чтобы отщелкнуть якорь в обратное положение, требуется подать напряжение, хотя бы импульс достаточной длительности и амплитуды, на другую катушку. Якорь останется в притянутом состоянии, даже при снятии напряжения питания. Не правда ли, очень напоминает RS – триггер?
Питание устройства осуществляется от сети, через однополупериодный выпрямитель D1, R1, R2, C1. На конденсаторе C1 получается напряжение около 24В. Конечно, так делается в нарушение всех правил техники безопасности, но автор уверяет, что если особо не наглеть, и не лезть, куда не надо, то… Ну, в общем все получится!
Телефон обязательно должен иметь виброзвонок: именно к его контактам будет присоединяться оптронное реле IC1, на схеме это резистор R4 и вывод оптрона 1. Полярность подключения указана на рисунке. При подключении к телефону полярность напряжения на виброзвонке следует проверить с помощью мультиметра или светодиода с резистором.
Когда сработает вибро, внутри оптрона открывается выходной транзистор, (выводы 5 и 6). Конденсатор C4 заряжается от источника питания через правую обмотку реле и открытый транзистор оптрона. Якорь реле переключается на левую катушку, и контактом K1.2 включает магнитный пускатель, а контактом K1.1 подготавливает левую катушку к следующему переключению.
Конденсатор C4 разряжается через резистор R3 около пяти минут, за это время посылки с телефона состояния устройства изменять не будут. При всей очевидной простоте, устройство имеет один существенный недостаток: возможность достать экзотическое поляризованное реле, да еще нужного паспорта сейчас практически равна нулю. Об этом пишет даже сам автор схемы в своем описании.
Еще одно простое устройство управления показано на рисунке 5.

Рисунок 5. Схема устройтсва дистанционного управления нагрузкой по телефону
Выполнено на специализированной микросхеме – декодере сигналов DTMFMT8870. Назначение данного устройства в авторском исполнении удаленное включение и перезагрузка компьютера. Работает устройство следующим образом. После того, как Вы позвонили на этот номер, после поднятия трубки набираете 1 или 2, что соответствует включению компьютера «POWER» либо перезагрузке «RESET».
Схема получает питание непосредственно от сотового телефона, выходные транзисторы оптронов подключены параллельно соответствующим кнопкам компьютера. Оптроны PC817 широко используются в импульсных источниках питания, — от компьютерных до зарядников мобильных телефонов.
Устройство подключается к разъему гарнитуры, к выводам динамика, на которых, как было рассказано выше, появляются сигналы DTMF. Основная незадача этой схемы при повторении в том, что телефон при подсоединении гарнитуры должен выполнять автоподнятие трубки. А такая опция есть далеко не у всех телефонов.
Еще две схемы устройств управления опубликованы на сайте radioelectronika.ru Первая из них показана ни рисунке 6.

Рисунок 6. Схема устройства управления нагрузкой по телефону (для увеличения нажмите на рисунок)
Схема выполнена на аппаратных средствах, т.е. не содержит микроконтроллеров, требующих программного обеспечения, вся логика работы достигнута за счет собственно схемы.
Звонок телефона принимается микрофоном, усиливается до нужного уровня усилителем, в результате чего срабатывает реле, контакты которого присоединены к кнопке «Ответ» (поднятие трубки). После срабатывания этого реле запускается выдержка времени около 7 секунд. Если за это время успеть нажать нужные клавиши, то сигнал DTMF будет подан на декодер DA1, выходные сигналы которого через дешифратор DD3 через реле могут подключить – отключить до 12 нагрузок.
По истечении 7 секунд сработает реле «Отбой» (его контакты соединены с кнопкой «положить трубку»), для последующего управления понадобится еще один звонок. Таким образом, получается, что телефон, просто весь будет обмотан проводами: провода от реле к кнопкам да еще выход сигнала DTMF из разъема гарнитуры.
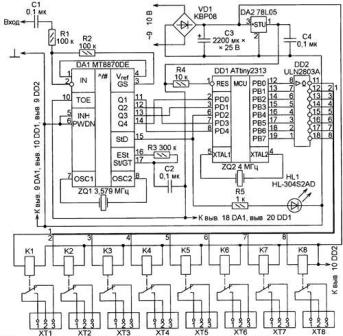
Более простая схема, имеется в виду по количеству деталей, показана на рисунке 7.

Рисунок 7. Схема устройства управления нагрузкой по телефону (для увеличения нажмите на рисунок)
Вот тут как раз используется телефон с автоподнятием трубки при подсоединенной гарнитуре, поэтому не требуется подпаиваться к кнопкам, достаточно только подключить разъем гарнитуры. Данная схема обеспечивает управление 8 нагрузками, команды управления показаны в описании схемы.
Но эти схемы вовсе не те, которые в начале статьи были названы самыми сложными и серьезными. Есть такие, которые вместо старого сотового телефона используют встраиваемый модуль GSM SIM300D. Его цена 4200 руб., правда он уже снят с производства. Именно в этот модуль и вставляется SIM – карта.
Более подробно о том, как самостоятельно собрать и запрограммировать устройство дистанционного управления в авторской разработке читайте здесь:
Пошаговая инструкция, как самостоятельно собрать и настроить устройство управления нагрузкой по мобильному телефону — https://electrik.info/Electrik_da.zip
Борис Аладышкин
Популярные публикации:
- Пульт дистанционного управления AYCT-102 для дачи и дома
- Блок защиты от протечек воды — сигнализаторы промышленного изготовления и самодельные устройства
- Электрические розетки с таймером
Надеюсь, что эта статья была для вас полезной. Смотрите также другие статьи в категории Электрическая энергия в быту и на производстве » Устройства автоматики
Подписывайтесь на наш канал в Telegram: Мир электричества
Здесь можно оствавить комментарий, задать вопрос и просто пообщаться:
Чат по электротехнической тематике
О сайте Электрик Инфо и авторах статей