Регулирование яркости светодиодов, принципы ШИМ-регулирования

В некоторых случаях, например, в фонариках или домашних осветительных приборах, возникает необходимость регулировать яркость свечения. Казалось бы, чего уж проще: достаточно изменить ток через светодиод, увеличив или уменьшив сопротивление ограничительного резистора. Но в этом случае на ограничительном резисторе будет расходоваться значительная часть энергии, что совсем недопустимо при автономном питании от батарей или аккумуляторов.
Кроме того, цвет свечения светодиодов будет изменяться: например, белый цвет при понижении тока меньше номинального (для большинства светодиодов 20мА) будет иметь несколько зеленоватый оттенок. Такое изменение цвета в ряде случаев совершенно ни к чему. Представьте себе, что эти светодиоды подсвечивают экран телевизора или компьютерного монитора.
Принцип ШИМ – регулирования
В этих случаях применяется ШИМ – регулирование (широтно — импульсное). Смысл его в том, что светодиод периодически зажигается и гаснет. При этом ток на протяжении всего времени вспышки остается номинальным, поэтому спектр свечения не искажается. Уж если светодиод белый, то зеленые оттенки появляться не будут.
К тому же при таком способе регулирования мощности потери энергии минимальны, КПД схем с ШИМ регулированием очень высок, достигает 90 с лишним процентов.
Принцип ШИМ – регулирования достаточно простой, и показан на рисунке 1. Различное соотношение времени зажженного и погашенного состояния на глаз воспринимается как различная яркость свечения: как в кино – отдельно показываемые поочередно кадры воспринимаются как движущееся изображение. Здесь все зависит от частоты проекции, о чем разговор будет чуть позже.

Рисунок 1. Принцип ШИМ – регулирования
На рисунке изображены диаграммы сигналов на выходе устройства управления ШИМ (или задающий генератор). Нулем и единицей обозначены логические уровни: логическая единица (высокий уровень) вызывает свечение светодиода, логический нуль (низкий уровень), соответственно, погасание.
Хотя все может быть и наоборот, поскольку все зависит от схемотехники выходного ключа, — включение светодиода может осуществляться низким уровнем а выключение, как раз высоким. В этом случае физически логическая единица будет иметь низкий уровень напряжения, а логический нуль высокий.
Другими словами, логическая единица вызывает включение какого-то события или процесса (в нашем случае засвечивание светодиода), а логический нуль должен этот процесс отключить. То есть не всегда высокий уровень на выходе цифровой микросхемы является ЛОГИЧЕСКОЙ единицей, все зависит от того, как построена конкретная схема. Это так, для сведения. Но пока будем считать, что ключ управляется высоким уровнем, и по-другому просто быть не может.
Частота и ширина управляющих импульсов
Следует обратить внимание на то, что период следования импульсов (или частота) остается неизменным. Но, в общем, частота импульсов на яркость свечения влияния не оказывает, поэтому, к стабильности частоты особых требований не предъявляется. Меняется лишь длительность (ШИРИНА), в данном случае, положительного импульса, за счет чего и работает весь механизм широтно-импульсной модуляции.
Длительность управляющих импульсов на рисунке 1 выражена в %%. Это так называемый «коэффициент заполнения» или, по англоязычной терминологии, DUTY CYCLE. Выражается отношением длительности управляющего импульса к периоду следования импульсов.
В русскоязычной терминологии обычно используется «скважность» – отношение периода следования к времени импульса. Таким образом если коэффициент заполнения 50%, то скважность будет равна 2. Принципиальной разницы тут нет, поэтому, пользоваться можно любой из этих величин, кому как удобней и понятней.
Здесь, конечно, можно было бы привести формулы для расчета скважности и DUTY CYCLE, но, чтобы не усложнять изложение, обойдемся без формул. В крайнем случае, закон Ома. Уж тут ничего не поделаешь: «Не знаешь закон Ома, сиди дома!». Если уж кого эти формулы заинтересуют, то их всегда можно найти на просторах Интернета.
Частота ШИМ для светорегулятора
Как было сказано чуть выше, особых требований к стабильности частоты импульсов ШИМ не предъявляется: ну, немного «плавает», да и ладно. Подобной нестабильностью частоты, кстати, достаточно большой, обладают ШИМ – регуляторы на базе интегрального таймера NE555, что не мешает их применению во многих конструкциях. В данном случае важно лишь, чтобы эта частота не стала ниже некоторого значения.
А какая должна быть частота, и насколько она может быть нестабильна? Не забывайте, что речь идет о светорегуляторах. В кинотехнике существует термин «критическая частота мельканий». Это частота, при которой отдельные картинки, показываемые друг за другом, воспринимаются как движущееся изображение. Для человеческого глаза эта частота составляет 48Гц.
Вот именно по этой причине частота съемки на кинопленке составляла 24кадр/сек (телевизионный стандарт 25кадр/сек). Для повышения этой частоты до критической в кинопроекторах применяется двухлопастной обтюратор (заслонка) дважды перекрывающий каждый показываемый кадр.
В любительских узкопленочных 8мм проекторах частота проекции составляла 16кадр/сек, поэтому обтюратор имел аж три лопасти. Тем же целям в телевидении служит тот факт, что изображение показывается полукадрами: сначала четные, а потом нечетные строки изображения. В результате получается частота мельканий 50Гц.
Работа светодиода в режиме ШИМ представляет собой отдельные вспышки регулируемой длительности. Чтобы эти вспышки воспринимались на глаз как непрерывное свечение, их частота должна быть никак не меньше критической. Выше сколько угодно, но ниже никак нельзя. Этот фактор следует учитывать при создании ШИМ – регуляторов для светильников.
Кстати, просто, как интересный факт: ученые каким-то образом определили, что критическая частота для глаза пчелы составляет 800Гц. Поэтому кинофильм на экране пчела увидит как последовательность отдельных изображений. Для того, чтобы она увидела движущееся изображение, частоту проекции потребуется увеличить до восьмисот полукадров в секунду!
Функциональная схема ШИМ – регулятора
Для управления собственно светодиодом используется транзисторный ключевой каскад. В последнее время наиболее широко для этой цели используются транзисторы MOSFET, позволяющие коммутировать значительную мощность (применение для этих целей обычных биполярных транзисторов считается просто неприличным).
Такая потребность, (мощный MOSFET — транзистор) возникает при большом количестве светодиодов, например, при использовании светодиодных лент, о которых будет рассказано чуть позже. Если же мощность невелика – при использовании одного – двух светодиодов, можно использовать ключи на маломощных биполярных транзисторах, а при возможности подключать светодиоды непосредственно к выходам микросхем.
На рисунке 2 показана функциональная схема ШИМ – регулятора. В качестве элемента управления на схеме условно показан резистор R2. Вращением его ручки можно в необходимых пределах изменять скважность управляющих импульсов, а, следовательно, яркость светодиодов.

Рисунок 2. Функциональная схема ШИМ – регулятора
На рисунке показаны три цепочки последовательно соединенных светодиодов с ограничивающими резисторами. Примерно такое же соединение применяется в светодиодных лентах. Чем длиннее лента, тем больше светодиодов, тем больше потребляемый ток.
Именно в этих случаях потребуются мощные регуляторы на транзисторах MOSFET, допустимый ток стока которых должен быть чуть больше тока, потребляемого лентой. Последнее требование выполняется достаточно легко: например, у транзистора IRL2505 ток стока около 100А, напряжение стока 55В, при этом, его размеры и цена достаточно привлекательны для использования в различных конструкциях.
Задающие генераторы ШИМ
В качестве задающего ШИМ – генератора может использоваться микроконтроллер (в промышленных условиях чаще всего), или схема, выполненная на микросхемах малой степени интеграции. Если в домашних условиях предполагается изготовить незначительное количество ШИМ – регуляторов, а опыта создания микроконтроллерных устройств нет, то лучше сделать регулятор на том, что в настоящее время оказалось под рукой.
Это могут быть логические микросхемы серии К561, интегральный таймер NE555, а также специализированные микросхемы, предназначенные для импульсных блоков питания. В этой роли можно заставить работать даже операционный усилитель, собрав на нем регулируемый генератор, но это уж, пожалуй, «из любви к искусству». Поэтому, далее будут рассмотрены только две схемы: самая распространенная на таймере 555, и на контроллере ИБП UC3843.
Схема задающего генератора на таймере 555

Рисунок 3. Схема задающего генератора
Эта схема представляет собой обычный генератор прямоугольных импульсов, частота которого задается конденсатором C1. Заряд конденсатора происходит по цепи «Выход – R2 – RP1- C1 – общий провод». При этом на выходе должно присутствовать напряжение высокого уровня, что равнозначно, что выход соединен с плюсовым полюсом источника питания.
Разряжается конденсатор по цепи «C1 – VD2 – R2 – Выход – общий провод» в то время, когда на выходе присутствует напряжение низкого уровня, — выход соединен с общим проводом. Вот эта разница в путях заряда – разряда времязадающего конденсатора и обеспечивает получение импульсов с регулируемой шириной.
Следует заметить, что диоды, даже одного типа, имеют разные параметры. В данном случае играет роль их электрическая емкость, которая изменяется под действием напряжения на диодах. Поэтому вместе с изменением скважности выходного сигнала меняется и его частота.
Главное, чтобы она не стала меньше критической частоты, о которой было упомянуто чуть выше. Иначе вместо равномерного свечения с различной яркостью будут видны отдельные вспышки.
Приблизительно (опять же виноваты диоды) частоту генератора можно определить по формуле, показанной ниже.

Частота генератора ШИМ на таймере 555.
Если в формулу емкость конденсатора подставить в фарадах, сопротивление в Омах, то результат должен получиться в герцах Гц: от системы СИ никуда не денешься! При этом подразумевается, что движок переменного резистора RP1 находится в среднем положении (в формуле RP1/2), что соответствует выходному сигналу формы меандр. На рисунке 2 это как раз та часть, где указана длительность импульса 50%, что равнозначно сигналу со скважностью 2.
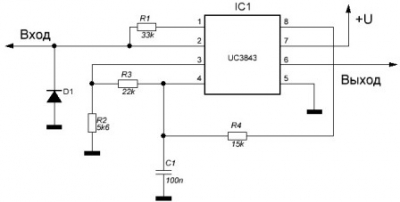
Задающий генератор ШИМ на микросхеме UC3843
Его схема показана на рисунке 4.

Рисунок 4. Схема задающего генератора ШИМ на микросхеме UC3843
Микросхема UC3843 является управляющим ШИМ — контроллером для импульсных блоков питания и применяется, например, в компьютерных источниках формата ATX. В данном случае типовая схема ее включения несколько изменена в сторону упрощения. Для управления шириной выходного импульса на вход схемы подается регулирующее напряжение положительной полярности, то на выходе получается импульсный сигнал ШИМ.
В простейшем случае регулирующее напряжение можно подать с помощью переменного резистора сопротивлением 22…100КОм. При необходимости можно управляющее напряжение получать, например, с аналогового датчика освещенности, выполненного на фоторезисторе: чем темнее за окном, тем светлее в комнате.
Регулирующее напряжение воздействует на выход ШИМ, таким образом, что при его снижении ширина выходного импульса увеличивается, что вовсе не удивительно. Ведь исходное назначение микросхемы UC3843 — стабилизация напряжения блока питания: если выходное напряжение падает, а вместе с ним и регулирующее напряжение, то надо принимать меры (увеличивать ширину выходного импульса) для некоторого повышения выходного напряжения.
Регулирующее напряжение в блоках питания вырабатывается, как правило, с помощью стабилитронов. Чаще всего это TL431 или им подобные.
При указанных на схеме номиналах деталей частота генератора около 1КГц, и в отличие от генератора на таймере 555, она при изменении скважности выходного сигнала не «плавает» — забота о постоянстве частоты импульсных блоков питания.
Чтобы регулировать значительную мощность, например, светодиодная лента, к выходу следует подключить ключевой каскад на транзисторе MOSFET, как было показано на рисунке 2.
Можно было бы и побольше рассказать о ШИМ – регуляторах, но пока остановимся на этом, а в следующей статье рассмотрим различные способы подключения светодиодов. Ведь не все способы одинаково хороши, есть такие, которых следует избегать, да и просто ошибок при подключении светодиодов случается предостаточно.
Продолжение статьи: Хорошие и плохие схемы включения светодиодов
Борис Аладышкин
Популярные публикации:
- Светодиодный прожектор своими руками
- Об использовании светодиодов, устройство светодиода, как зажечь светодиод
- Тиристорные регуляторы мощности. Схемы с двумя тиристорами
Надеюсь, что эта статья была для вас полезной. Смотрите также другие статьи в категории Практическая электроника, Все про светодиоды
Подписывайтесь на наш канал в Telegram: Мир электричества
Здесь можно оствавить комментарий, задать вопрос и просто пообщаться:
Чат по электротехнической тематике
О сайте Электрик Инфо и авторах статей