Современные светодиодные лампы: на что обратить внимание при выборе
Светодиодные светильники и лампы уже давно не новинка, но зачастую простому человеку не понятно что вообще он покупает в магазине и может ли простая лампочка как-то повлиять на его здоровье. Дело в том, что качество источника света не определяется его мощностью и тем как много света он отдает. Это лишь количественные показатели, показателем качества света является коэффициент пульсаций и индекс цветопередачи.

Чем определяется качество ламп
Как уже было сказано качество ламп определяет не их яркость, а такие показатели как коэффициент пульсаций и индекс цветопередачи. Эти две характеристики определяют как восприятие света, так и ваше самочувствие. Вы могли заметить, что когда проводите много времени, например, в гараже со старыми люминесцентными лампами иногда начинает болеть голова и возникает некоторое ощущение неестественности окружения, а если выйти на солнце всё кажется гораздо насыщеннее и приятнее для глаза. И дело не в освещенности как таковой. Определения некоторых основных терминов мы рассмотрим позже.
Речь в примере выше шла об индексе цветопередачи. Это параметр который определяет как спектральный состав света обеспечивает реальность восприятия предметов.

Измерить его в домашних условиях вам не удастся. Это делают с помощью специализированного дорогостоящего оборудования, стоимость среднего прибора лежит в районе 500-1000$.
Он указывается в характеристиках источника как CRI (colour rendering index) или Ra. И определяется сравнением передачи 8 тестовых цветов освещенных конкретным источником света.

Коэффициент пульсаций не менее важен. Его значения должны быть как можно ближе к 0%, то есть свет должен быть как можно менее пульсирующим. Этот параметр можно измерить почти каждым даже бюджетным люксметром. Или провести косвенную проверку камерой мобильного телефона, об этом позже.
Интересно:
Нормативные документы устанавливающие требования к качеству освещения:
-
СанПиН 2.2.1/2.1.1.1278–03 Гигиенические требования к естественному, искусственному и совмещенному освещению жилых и общественных зданий
-
СП 52.1333.2011 Естественное и искусственное освещение. Актуализированная редакция СНиП 23-05-95* Итак, подведем итоги и рассмотрим все характеристики по отдельности.
-
Мощность светильника зависит от количества подключенных светодиодов и коэффициентом полезного действия источника питания.
-
Световой поток зависит от качества светодиодов, материалов которые использовались при их производстве. В интернете есть сведения о светодиодах чей световой поток достигает 140 люмен на 1 Ватт мощности, но реально в современных светильниках и лампах используются светодиоды, которые отдают 90-110 Лм/Вт. Это та цифра от которой стоит отталкиваться при расчетах освещения.
-
Индекс цветопередачи зависит в особенности от люминофора — именно он определяет спектр излучаемого света.
-
Коэффициент пульсаций светового потока зависит только от источника питания. Их типовые схемы мы рассмотрим позже. Если кратко, то высказывание о том, что чем проще схема — тем больше пульсации не совсем верно. Даже в самой дешевой схеме построенной на гасящем конденсаторе легко достичь приемлемого уровня пульсаций, с помощью нормального подбора сглаживающего конденсатора. В то время, как в схемах питания с источником тока (драйвером) при плохом сглаживании пульсаций по входу наблюдаются и пульсации выходных параметров и светового потока соответственно.
Устройство светодиодных ламп и светильников на 220В
Светодиодные светильники и лампы можно разбить на 5 составных частей:
1. Источник питания или драйвер. Его задача преобразовать сетевое напряжение в стабилизированное напряжение или ток для обеспечения бесперебойной работы светодиодов в номинальном режиме.
2. Светодиоды. Могут быть расположены на печатной плате или отдельных монтажных теплопередающий подложках типа Star. Встречаются как в дискретном виде, так и в виде матриц или COB-светодиодов.
3. Радиатор. Его цель отвести тепло от светодиодов. В случае их перегрева значительно сокращается срок их службы.
4. Корпус. Даже качественный и правильно подобранный радиатор не сможет отвести тепло от светодиодов если он размещен в неправильно спроектированном корпусе малых размеров без возможности отведения тепла. Иногда корпус и радиатор это одна конструктивно объединенная деталь — такое решение используется в большинстве светодиодных ламп. Хотя у филаментных светодиодов нет радиатора и они излучают тепло во внутреннее пространство колбы подобно спиралям лампы накаливания.
5. Цоколь. Если речь идет не о цельном светильнике, а о лампе, то цоколь служит для её подключения к питанию. Бывает резьбового или штырькового типа.
Источник питания
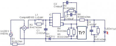
Если рассматривать наиболее популярный бюджетный ценовой сегмент, то на сегодняшний день в лампах с цоколем Е27 (обычный и самый распространенный резьбовой цоколь в нашей стране), используют схемы питания с бестрансформаторным драйвером на интегральных микросхемах. Их можно распознать по наличию элемента на плате либо похоже на транзистор в трёхногом корпусе с аксиальными выводами типа ТО92, либо в восьминогом корпусе предназначенном для поверхностного монтажа типа SOIP-8 (и подобных) и небольшого дросселя расположенного поблизости.

Типовая схема бестрансформаторного импульсного драйвера
Это неплохой вариант питания, коэффициент пульсации у таких ламп вполне приемлемый и светят они довольно долго, тем не менее светодиоды и сам источник питания обычно не защищены от всплесков напряжения в питающей сети.
Ранее в дешевых китайских лампочках использовали источник питания на гасящем конденсаторе. Такая схема не отличалась надежностью, малыми пульсациями и высоким КПД. Дело в том, что отсутствие стабилизации приводило к тому, что светодиоды питались или пониженным, или повышенным током при отклонениях питающего напряжения от номинальных 220В. Соответственно в домах где часто напряжение превышает номинальное они быстро перегорали. При этом в 90% случаев перегорает 1 или 2 светодиода, а так как все имеющееся на плате светодиоды соединены последовательно — переставали гореть все.


Внешний вид и схема питания с гасящим конденсаторам — разница в количестве деталей налицо, а ёмкостью C2 — и сглаживаются пульсации. Китайцы экономят на ней.
Сейчас такая схема продолжает активно использоваться в дешевых светодиодных светильниках, несмотря на наличие большого объема свободного места в корпусе, а также в трубчатых лампах с цоколями G5 и G13, и ламп для точечных светильников типа G4, GU 5.3 и прочих. Не всегда понятно с чем связано такое решение.
Хотя нельзя заявлять однозначно, все зависит от производителя ламп, например у ламп T5 и T8 завода «Светорезерв» довольно неплохая концепция в целом.
И первое и второе решение присуще нижнему ценовому сегмент, в частности для таких производителей, как:
-
ЭРА;
-
Navigator;
-
LEEK;
-
ASD;
-
Онлайт.
Это не значит, что такие лампы плохие, просто к их подбору нужно подходить с осторожностью.


Пример платы драйвера и его схемы из лампы Gauss
В дорогих LED-источниках света таких производителей, как Gauss, Philips, Osram используются более совершенные источники питания. Чаще всего это полноценные драйвера (импульсные источники тока) с трансформатором и высоким КПД. Наличие трансформатора обеспечивает надежную гальваническую развязку от сети, соответственно снижается риск выхода из строя конденсаторов, также благодаря обратной связи по току обеспечивается его хорошая стабилизация.
Светодиоды
В светодиодных лампах и светильниках используют SMD-светодиоды таких типоразмеров:
-
3528;
-
5050;
-
2835;
-
5630;
-
5730;
-
3014 (редко).

В прожекторах и некоторых мощных лампах и светильниках используют и светодиодные матрицы или COB-светодиоды иногда их называют ЧИП-светодиоды. По своему устройству это матрица из светодиодов покрытая единым слоем люминофора, от набора дискретных светодиодов отличается тем, что все кристаллы уже соединены между собой еще на этапе производства этого модуля.

Все производители даже самой дешевой продукции давно ушли от использования 5-мм светодиодов, которые монтируются через отверстия в плате из-за их низкой эффективности и больших затрат при производстве.

Но от того в каком корпусе выполнен светодиод кроме параметров теплопередачи больше ничего не зависит. Параметры влияющие на освещения зависят от самого светоизлучающего кристалла, свойств его PN-перехода. Поэтому покупая дешевую продукцию с якобы мощными светодиодами 5730 (они производятся в вариантах на 0.5 и 1 Вт) часто натыкаются на подделки совпадающие по характеристикам с уже устаревшими 3528.
То же касается и люминофоров, ведь от него и зависит индекс цветопередачи. В разных источниках встречаются сведения о том, что подбирая определенные пропорции в составе люминофора удаётся обойти проверку индекса, получив совпадение по нормативам только для контрольных цветов, при том, что невооруженным глазом видны проблемы цветопередачи.

На фото пример лампы с «хорошим» заявленным индексом, но при этом зеленоватым оттенком
Относительно новым типом светодиодов являются филаментные нити, такие лампы изготавливает большое число производителей, из отечественных можно выделить лампочки Томича завода Лисма.

Внешне они очень похожи на классические лампы накаливания, светодиоды расположены внутри колбы, а драйвер в цоколе. Ограниченное пространство резьбовых цоколей часто не позволяет собрать в них качественный драйвер, тем не менее такие лампы популярны и они выдают неплохие показатели по всем параметрам.
Стоит отметить что мощность одной филаментной нити составляет порядка 1 Ватта, это позволяет примерно оценить реальную мощность лампы не смотря на упаковку, а посчитав число нитей. Автор следующего видео наглядно демонстрирует что внутри филаментной лампы.
Их достоинством является классический внешний вид и равномерная направленность света во все стороны. Однако особо придирчивые критики жалуются на то, что в распространении светового потока наблюдаются тени от самих филамент. Это скорее придирка, чем замечание.
Наиболее качественными являются светодиоды от компаний:
-
CREE (США);
-
OSRAM Opto Semiconductors (Германия);
-
Nichia (Япония).
Умные светодиодные лампы:
Виды, устройство и применение умных светодиодных лампа (Smart Bulb)

Низковольтные лампы и светильники
Отдельного слова достойны лампы которые питаются от сети с пониженным напряжением постоянного тока в 12В и светильников, которые включаются от отдельного драйвера. И те и другие в большинстве своем пришли на замену точечным светильникам с галогенными лампами. Для последних ранее использовали электронные трансформаторы.

Сейчас лампы с питанием от 12В питают от блоков питания либо индивидуального для каждого светильника, либо одного на группу светильников, что используется чаще аналогично питанию галогеновых ламп.

Пример светодиодной лампы с цоколем G4 и напряжением питания 12 В

Пример другого варианта блока питания для таких ламп, обратите внимание, что написано «Driver», хотя это именно источник напряжения, а не тока
Частый вопрос:
Как диммировать 12В лампы для точечных светильников? Яркость таких лампочек регулируется с помощью 12В диммера для светодиодной ленты. Регулировать их 220В диммером не получится. Само название блок питания, диммер, контроллер «для светодиодной ленты» привязалось потому что ленты первыми вышли на массовый рынок LED-продукции.
Самые распространенные виды светодиодных лент
Как узнать мощность светодиодной ленты
Как подключить к электрической сети светодиодный дюралайт
Как устроены и работают адресные светодиоды и светодиодные ленты

Важно:
Часто пользователи задают вопрос о том что делать если горят драйвера для светильников, можно ли заменить его блоком питания на все светильники сразу. Ответ — НЕТ. Дело в том, что они питаются от источников тока, на их корпусе обычно указана схема подключения к светильнику и она не предполагает подключения нескольких штук в группу.

Пример светильника с драйвером

Внешний вид подобного драйвера
Обратите внимание на характеристики, именно на раздел OUTPUT — выходные напряжения 30-68V, что говорит о стабилизации тока, а не напряжения, его схема устанавливает в зависимости от количества подключенных светодиодов и их параметров.
Как выбрать лампу
Если вы не хотите покупать дорогую продукцию от европейских производителей, то обратите внимание на ряд советов при приобретении, ведь вы не можете в большинстве случае увидеть светодиоды (если они накрыты рассеивающим колпачком, а он приклеивается), а драйвер и вовсе скрыт в корпусе лампы. Предвидя неоднозначные комментарии заранее скажу о том, что это лишь моё виденье и личное мнение о покупке дешевых лампочек.
1. Мощность лампы прямо пропорциональна её размеру и весу. Хоть это и звучит слегка смешно, тем не менее при двух одинаково дешевых лампах одинаковой мощности, но разных габаритов я отдам предпочтение той что тяжелее и больше. Дело в том, что чем тяжелее лампа то тем больше вероятности что производитель заложил в неё нормальный радиатор, светодиоды расположил на нормальной теплопередающей подложке с печатной платой и установил хоть какую нибудь плату с драйвером. К сожалению реальный выбор приходится делать вслепую.
2. Если есть возможность включить лампу хотя бы на пару минут — посмотрите как быстро она греется, корпус лампы должен быть горячим, но не горячее той температуры которую еще терпит рука. То есть 50-60 градусов. Температура современных LED-кристаллов не должна превышать 100-150 градусов Цельсия, а она будет реально больше чем температура теплорассеивающего корпуса.
3. Если у вас есть люксметр вы можете прямо в магазине измерить коэффициент пульсации лампы, хотя и не так точно как могли бы это сделать в лаборатории. Ну а если люксметра нет, то воспользуйтесь камерой своего смартфона. При наведении на лампу на картинке не должно наблюдаться бегущих полос. Обратите внимание на видео расположенное далее.
Radex Lupin — измеряет пульсации и освещенность, на момент написания статьи его цена около 5000 (72,28$)
Интересно:
ГОСТ Р 54945-2012 разрешает измерять пульсации следующими приборами:
-
Многоканальный радиометр «Аргус»;
-
Пульсметр-люксметр «Аргус 07», «ТКА-ПКМ»/08;
-
Пульсметр-люксметр «ТКА-ПКМ»/08;
-
Люксметр-яркомер-пульсметр «Эколайт-01», «Эколайт-02».
Я больше не знаю реальных способов отличить хорошие LED-светильники от плохих из ассортимента дешевых моделей. Поэтому вы должны осознавать что вы и в каких целях покупаете, например в коридор или санузел не имеет особого значения качество источника света. А вот освещение в мастерскую или над письменным столом должно быть отличным и соответствовать всем санитарным нормам.
Алексей Бартош
Популярные публикации:
- Как выбрать лампы и светильники для натяжных потолков
- Неисправности светильников с люминесцентными лампами и их ремонт
- Сетевые стабилизаторы напряжения 220В — сравнение различных типов, достоинства и недостатки
Надеюсь, что эта статья была для вас полезной. Смотрите также другие статьи в категории Освещение дома, Электрообзоры
Подписывайтесь на наш канал в Telegram: Мир электричества
Здесь можно оствавить комментарий, задать вопрос и просто пообщаться:
Чат по электротехнической тематике
О сайте Электрик Инфо и авторах статей