Управление освещением с двух, трёх и более мест
Одной из наиболее частых задач перед «квартирным» электриком является установка одного или нескольких светильников. Обычно это не создает никакой проблемы, ведь подключение одного выключателя выполняется достаточно просто. Но часто нужно сделать так, чтобы лампочка включалась из нескольких мест, например, из двух, больше – реже. В этой статье мы рассмотрим схемы управления освещением с помощью нескольких выключателей.

Управление светом из двух мест
Такая задача часто встречается в частных домах на предусадебном участке, например, около входной двери и калитке, на входе во двор, а также в домах с несколькими этажами, чтобы было возможно включить свет с любого из этажей и безопасно спустится по лестнице.
Основная проблема заключается в том, что, если установить на один светильник два обычных выключателя, то как бы вы их не подключили, либо они оба должны быть включены, либо оба выключены. Поэтому не получится полноценно управлять освещением из нескольких мест по такой схеме.
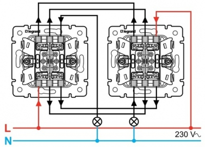
Для того чтобы решить эту проблему используют схему с проходным выключателем. Такой прибор правильнее назвать переключателем. Давайте рассмотрим схему и особенности проходного выключателя.

Здесь мы видим, что выключатель по внутренней схеме отличается от обычного. Если на стандартном варианте контакт либо замкнут, либо нет, то здесь подвижный контакт замыкает либо на одну линию, либо на другую, поэтому я и назвал его переключателем.
Если вы еще не поняли, как эта схема работает – рассмотрим её состояния:
1. На обоих выключателях клавиша нажата в положение «ВВЕРХ» — лампочка горит, ток течет по «верхнему» проводу (если смотреть на приведенную схему).
2. Первый выключатель в положении «ВНИЗ», а второй «ВВЕРХ» (или наоборот) – ток по цепи не протекает, лампа не горит.
3. Оба выключателя в «нижнем» положении – ток протекает по «нижнему» проводу, и лампа горит.

Схема достаточно простая для сборки:
1. К светильнику напрямую подсоединяем ноль из распредкоробки или другим способом, в зависимости от обстоятельств
2. К ближнему к источнику питания (допустим сеть 220В) выключателю протягивает трёхжильный кабель. Первую жилу соединяем с фазой и средним подвижным контактом выключателя. Ниже приведем клеммы выключателя и его схему повторно.
3. Две оставшиеся жилы соединяем с парой выходных неподвижных контактов и второго выключателя.
4. От среднего подвижного контакта второго выключателя берем исходящую фазу и подключаем к светильнику.

Проходной выключатель отличается от обычного тем, что имеет переключающий контакт, итого на нем расположено три клеммы для подключения вместо двух. Они также бывают одно, двух и трёхклавишными. Тогда эта схема просто дублируется в соответствии с количеством клавиш и групп ламп так как это изображено на рисунке ниже.

Интересно: Если у вас есть возможность подключить фазу с нулем к каждому из выключателей с минимальными затратами кабеля от разных распределительных коробок, можно – использовать альтернативную версию этой схемы. Она отличается тем, что лампочка подключается к подвижному контакту, а фаза с нулем к неподвижным и, как бы, зеркальна.

Как монтировать
Для удобства монтажа нужно заблаговременно представить, как вы будете прокладывать кабели, что ближе к первому выключателю и что ближе ко второму – распредкоробка с приходящей фазой или светильник, а может быть и то и другое… Но в большинстве случаев нужно простой трёхжильный провод или кабель, в зависимости от условий эксплуатации и монтажа подойдут:
-
ВВГ 3х1.5;
-
ПВС 3х0.75…3х1.5;
-
ШВВП 3х0.75…3х1.5;
-
Или зарубежный аналог NYM аналогичных сечений.
Можете использовать жилы с этих проводов отдельно, а также купить одножильный провод марки ПВ, соответствующего класса гибкости, например, ПВ-1 – это жесткая монолитная версия. В таком случае снизится вероятность ошибки, особенно если выбрать разноцветные жилы. На картинке ниже изображен один из вариантов монтажа в более наглядном виде:

Управление из трёх и более мест
Если нужно чтобы светильник включался из трёх мест и больше – в бой идут перекрестные выключатели, их иногда называют промежуточным. Схема изображена ниже.

Новичков может напугать схема управления светом из трёх мест, но давайте в ней разбираться. Перекрестный выключатель – это такой же проходной выключатель только с одной клавиши одновременно переключается две группы контактов. Единственным отличием на видимой части будет то, что на перекрестном 4 клеммы для подключения проводов, а на проходном 3.

Зачем нужен перекрестный выключатель? Затем, что в схеме управления освещением из двух мест проходные выключатели связаны двумя проводами, и за счёт этого происходит избирательное подключение нужной линии питания светильника. Здесь нужно эту пару проводов также переключить между собой, для этого используют перекрестный выключатель.
Логика работы схемы несложна, давайте разберемся только для краткости обозначим выключатели как A, B и C, слева направо согласно схеме.
1. Все три выключателя в «верхнем» положении – ток течет по красной линии, и лампа горит.
2. Выключатель «A» в положении «вниз», остальные «вверх». Тогда фаза подана на голубую линию, а лампа подключена к красной – ток не течет. Если переключить выключатель «B» – «вниз», то лампа загорится, т.к. ток пойдет по красной линии на схеме, то же самое произойдет если переключить «С», только ток пойдет по голубой линии на схеме.
Остальные положения по аналогии.
Собирать схему включения из трёх мест достаточно просто. Подключаем фазу на средний контакт одного из крайних проходных выключателей, а от второго проходного с его среднего контакта прокладывает провод на светильник.
С первого проходного в любой последовательности и на любые клеммы подключаем к перекрестному, и, с его второй пары клемм, две жилы на другой проходной. Такое соединение изображен нагляднее на рисунке ниже.

Дальнейшее увеличения числа выключателей для управления одним светильником происходит просто по принципу добавления в разрыв перекрестных выключателей. Ниже изображена схема управления светом с 4 мест.

Такая же схема, но уже для управления с 5 мест:

Заключение
Вышеперечисленные схемы управления светом из нескольких мест достаточно просты, но у них есть один недостаток – легко запутаться в проводах, а также большой их расход. Это может быть экономически нецелесообразно с учетом штробы или стоимость прокладки линии наружным способом, возможно легче установить несколько светильников на вашем маршруте. Однако, есть и более простой способ – импульсные реле для управления освещением, мы их подробно рассматривали в этой статье: Импульсные реле и их использование
Алексей Бартош
Популярные публикации:
- Защита светодиодных ламп от перегорания: схемы, причины, продлеваем жизнь
- Как выбрать настольную лампу для работы или учёбы
- Как рассчитать расход электроэнергии
Надеюсь, что эта статья была для вас полезной. Смотрите также другие статьи в категории Электричество в доме, Освещение дома, Выбор и установка розеток и выключателей, Электросхемы
Подписывайтесь на наш канал в Telegram: Мир электричества
Здесь можно оствавить комментарий, задать вопрос и просто пообщаться:
Чат по электротехнической тематике
О сайте Электрик Инфо и авторах статей