Быстрая сборка схем на беспаечных макетных платах
Давайте рассмотрим устройство и назначение беспаечных макетных плат. В чем их преимущество перед другими видами сборки, и как с ними работать, а также какие схемы можно быстро собрать на них новичку.

Предыстория
Первой проблемой с которой сталкивается радиолюбитель это даже не отсутствие теоретических знаний, а отсутствия средств и знаний о способах монтажа электронных устройств. Если вы не знаете как работает та или иная деталь, это не помешает вам подключить её по схеме электрической принципиальной, а вот чтобы наглядно и качественно собрать схема нужна печатная плата. Чаще всего их изготавливают по методу ЛУТ, но лазерный принтер есть не у всех. Наши отцы и деды рисовали платы вручную лаком для ногтей или краской, а потом их вытравливали.

Здесь новичка настигает вторая проблема — отсутствие реактивов для травления. Да, безусловно, хлорное железо продается в каждом магазине радиоэлектронных компонентов, но на первых порах и так нужно много всего приобрести и изучить, что уделить внимания технологии травления плат из фольгированного текстолита или гетинакса просто сложно. Да и не только новичкам, но и опытным радиолюбителям порой нет смысла травить плату и тратить средства на недоработанное изделие на этапах его наладки.

Чтобы избежать проблем с поиском хлорного железа, текстолита, принтера и не получить от жены (мамы) за несанкционированное использование утюга, можно практиковаться в монтаже электронных устройств на беспаечных макетных платах.
Что такое беспаечная макетная плата?
Как видно из названия это такая плата, на которой можно собрать макет устройства без использования паяльника. Макетка — так её называют в народе — в магазинах присутствует разных размеров и модели несколько отличаются по компоновке, но принцип действия и внутреннее их устройство одинаковы.
Макетная плата состоит из корпуса из ABS пластика, в котором расположены разъёмные соединения, которые напоминают сдвоенные металлические шины между которыми зажимается проводник. На лицевой части корпуса отверстия, пронумерованные и промаркированные, в них можно вставлять провода, ножки микросхема, транзисторов и других радиодеталей в корпусах с выводами. Взгляните на картинку ниже, на ней я всё это изобразил.

На рассмотренной печатной плате крайние два столбца отверстий с каждой из сторон объединили вертикально общими шинами, из которых обычно формируют шину плюсового контакта источника питания и минусовую (общую шину). Обычно обозначаются красной и синей полосой по краю платы плюс и минус соответственно.
Средняя часть платы разделена на две части, каждая из частей объедены по строчно по пять отверстий в ряд на данной конкретной плате. На рисунке изображено схематическое соединение отверстий (черными сплошными линиями).

Внутренняя структура платы изображена на рисунке ниже. Сдвоенные шины зажимают проводники, что и проиллюстрированно. Жирными линиями обозначены внутренние соединения.

Такие платы в англоязычной среде называются Breadboard именно по такому названию вы сможете найти её на aliexpress и подобных интернет магазинах.
Как с ней работать?
Просто в отверстия вставляете ножки электронных компонентов, соединяя между собой детали по горизонтальным линиям, а с крайних вертикальных подаёте питание. Если нужна перемычка часто используют специальные с тонкими штекерами на конца, в магазинах их можно встретить под название «перемычки dupont» или перемычки для ардуино, её кстати тоже можно вставить в такую макетку и собирать свои проекты.

Если вам не хватило размеров одной макетной платы вы можете совместить несколько, он словно пазлы вставляются друг в друга, обратите внимание на первой картинке в статье схема собрана на двух соединенных платах. На одной из них есть шип, а на другой выемка, скошенные от наружной части к корпусу платы, чтобы конструкция не развалилась.

Сборка простых схем на макетной плате
Начинающему радиолюбителю важно быстро собрать схему чтобы убедиться в работоспособности и понять как она работает. Давайте рассмотрим как выглядят разные схемы на макетной плате.

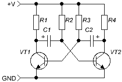
Схема симметричного мультивибратора советуется как первая многим новичкам, она позволяет научиться соединять детали последовательно и параллельно, а также определять цоколевку транзисторов. Её можно собрать навесным монтажом или развести печатную плату, но это требует пайки, а навесной монтаж несмотря на свою простоту, на самом деле очень сложен для начинающих и чреват замыканиями или плохим контактом.
Посмотрите как просто она выглядит на беспаечной макетной плате.

Кстати обратите внимание здесь не использовались перемычки Dupont. Вообще, их не всегда можно найти в радиомагазинах, а особенно в магазинах маленьких городов. Вместо них можно использовать жилы от интернет-кабеля (Витая пара) они в изоляции, а жила не покрыта лаком, что позволяет быстро оголить конец кабеля, сняв небольшой слой изоляции и вставить в разъём на плате.
Соединять вы можете детали как угодно, лишь бы обеспечить нужную цепь, вот та же схема, но собрана слегка иначе.

Кстати для описания соединений вы можете пользоваться маркировкой платы, столбцы обозначают буквами, а строки цифрами.

Для ваших конструкций встречаются такие блоки питания, на них есть штекера которые монтируются в беспаечную плату подключаясь к шинам «+» и «-». Это удобно, на нём есть выключатель и линейный малошумящий стабилизатор напряжения. В целом вам не составит труда развести такую плату самому и собрать её.

Вот так можно подключить светодиод, например для его проверки. На картинке изображена более “продвинутая” версия печатной платы с зажимными клеммами для подключения источника питания. Анод светодиода подключен к плюсу питания (красная шина) а катод на горизонтальную шину рабочей области, где и соединен с токоограничительным резистором.
Источник питания на линейном стабилизаторе типа L7805, или любой другой микросхеме серии L78xx, где хх — нужное вам напряжение.

Собранная схема пищалки на логике. Правильное название такой схемы — Генератор импульсов на логических элементах типа 2и-не. Сначала ознакомьтесь со схемой электрической принципиальной.

В качестве логической микросхемы подойдет отечественная К155ЛА3, либо иностранная типа 74HC00. Элементы R и C задают рабочую частоту. Вот её реализация на плате без пайки.

Справа заклееный белой бумажкой — буззер. Его можно заменить светодиодом, если уменьшить частоту.
Чем больше Сопротивление ИЛИ ёмкость — тем меньше частота.
А вот так выглядит типовой проект Ардуинщика на стадии тестирования и разработки (а иногда и в конечном виде, зависит от того насколько он ленив).

Собственно благодаря проекту Arduino в последнее время популярность “бредбордов” существенно возросла. Они позволяют быстро собирать схемы и проверять их работоспособность, а также использовать в качестве разъёма при перепрошивке микросхем в DIP корпусе, и в других корпусах, если есть переходник.
Полезная электроника своими руками, электронные самоделки в Telegram: Практическая электроника на каждый день
Ограничения беспаечной макетной платы
Несмотря на свою простоту и очевидные преимущества перед пайкой, беспаечные макетки имеют и ряд недостатков. Дело в том что не все цепи нормально работают в такой конструкции, давайте рассмотрим подробнее.
Перегрузка и паразитные составляющие
На беспаечных макетных платах не рекомендуется собирать мощные преобразователи, а особенно импульсные схемы. Первые не будут нормально работать по причине токовой пропускной способности контактных дорожек. Не стоит залазить за токи более 1-2 Ампер, хотя в интернете встречаются и сообщения о том что включают и 5 Ампер, делайте сами выводы и экспериментируйте.
Импульсные схемы могут и вовсе не заработать по причине большого числа паразитных емкостей и индуктивностей в схеме. Расположение шин такое, что они проходят вдоль друг друга и имеют достаточно большую площадь. Это вызывает лишние наводки и не улучшает стабильность работы импульсных и прецизионных схем.
Электробезопасность
Не стоит забывать и о том, что высокое напряжение опасно для жизни. Макетирование устройств работающих, например от 220 В ЗАПРЕЩЕНО категорически. Хоть и выводы закрыты пластиковой панелью, но куча проводников и перемычек могут привести к случайному замыканию или поражению электрическим током!
Заключение

Беспаечная макетная плата годится для простых схем, аналоговых схем которые не предъявляют высоких требованиям к электрическим соединениям и точности, автоматики и цифровых схем, которые не работают на высоких скоростях (ГигаГерцы и десятки МегаГерц — это уже слишком). При этом высокое напряжение и токи опасны и в таких целях лучше использовать навесной монтаж и печатные платы, при этом новичку не следует производить и навесного монтажа таких цепей. Стихия беспаечных макетных плат — простейшие схемы до десятка элементов и любительские проекты на Ардуино и других микроконтроллерах.
Алексей Бартош
Популярные публикации:
- Как проверить симистор
- Как применять фоторезисторы, фотодиоды и фототранзисторы
- Простейшие бестрансформаторные импульсные преобразователи напряжения
Надеюсь, что эта статья была для вас полезной. Смотрите также другие статьи в категории Электрическая энергия в быту и на производстве » Практическая электроника
Подписывайтесь на наш канал в Telegram: Мир электричества
Здесь можно оствавить комментарий, задать вопрос и просто пообщаться:
Чат по электротехнической тематике
О сайте Электрик Инфо и авторах статей