Как проверить симистор
Симистор — это разновидность тиристора. Он как и тринистор имеет три вывода, однако p-n-переходов у симистора не три, а целых пять. Характерно для симистора и два устойчивых состояния: «открытое» и «закрытое», при том проводимостью симистора можно управлять в двух направлениях, несмотря на то, что управляющий электрод у него всего один.
По причине такой своей универсальности, именно симистор чаще всего играет роль ключа в цепях переменного тока для управления различного рода устройствами (например двигателем болгарки или стиральной машины).
Взгляните на рисунок. Здесь пять переходов, которые по своему расположению аналогичны двум встречно-параллельно включенным тринисторам. Если приложить к электроду MТ2 плюс, а к MТ1 — минус, то активируется (станет готова к работе) последовательность переходов снизу-вверх n-p-n-p, а при смене полярности в наше распоряжение попадет последовательность переходов сверху-вниз n-p-n-p. И управляющего электрода по прежнему достаточно всего одного.

Итак, для управления состоянием проводимости симистора, установленного в каком-нибудь приборе, на управляющий электрод G симистора подают управляющий импульс, полярность которого указывается относительно вывода MТ1, и зависит она от текущей полярности коммутируемого напряжения, действующего в цепи, то есть от напряжения, приложенного к выводам MT1 и MT2 данного симистора.
Если вывод MT2 находится под положительным напряжением относительно вывода MT1, то переход симистора в проводящее состояние возможен при любой полярности импульса управляющего напряжения, приложенного к выводу G относительно вывода MT1. Если же на выводе MT2 находится минус, а на MT1 – плюс, то к открыванию симистора приведет отрицательная полярность напряжения, приложенного к выводу G.
Чтобы «закрыть» симистор, находящийся в проводящем состоянии, необходимо обесточить коммутируемую симистором цепь (сделать ее ток меньшим, чем ток удержания, характерный для данного симистора).

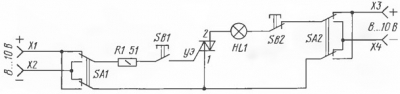
Из сказанного выше очевидным образом вытекает, что для проверки симистора можно воспользоваться простой универсальной схемой, предназначенной для тестирования, которая содержит два развязанных друг от друга источника питания (например две обмотки трансформатора с выпрямителями и конденсаторами фильтров).
Такую схему каждый сможет собрать себе сам. Два переключателя (SA1 и SA2) служат для изменения полярности в коммутируемой цепи и в цепи питания управляющего электрода. Переключатели (кнопки без фиксации) SB1 и SB2 предназначены соответственно для открывания и для выключения симистора. Лампочка здесь служит индикатором исправности симистора, так как она установлена в цепи, коммутируемой симистором.

Работает схема так. Когда переключатели SA1 и SA2 пребывают в положении как изображено на рисунке, достаточно нажать на кнопку SB1, чтобы исправный симистор открылся и лампа тут же загорелась. Далее нажимают SB2 – лампа гаснет, так как симистор запирается. После этого переключателем SA1 изменяют полярность управляющего импульса.
Нажатие на SB1 приведет к загоранию лампы. Следующим шагом изменяют полярность в коммутируемой цепи, для чего нажимают на SA2. Теперь лампа должна вспыхивать только тогда, когда на управляющий электрод будет подано напряжение отрицательное, относительно минусового электрода симистора.

Есть более простая схема с батарейкой «крона» и со светодиодами. Данная схема позволяет проверять не только симисторы, но и тринисторы. Переключатель S1 позволяет изменять полярность питания, а кнопки ST1 и ST2 дают в распоряжение пользователю импульсы разной полярности.
Исправный тринистор станет проводить лишь в одном направлении, поэтому только светодиод VD4 будет индикатором. А вот симистор сможет открыться в том направлении, в котором подана полярность питания, и в зависимости от нажатия на кнопку ST1 или ST2. Нажатие на ST2 не должно привести к открыванию симистора, если на нижнем его выводе будет плюс.
Андрей Повный
Популярные публикации:
- Как применять фоторезисторы, фотодиоды и фототранзисторы
- Простейшие бестрансформаторные импульсные преобразователи напряжения
- Схемотехника блоков питания для светодиодных лент и не только
Надеюсь, что эта статья была для вас полезной. Смотрите также другие статьи в категории Электрическая энергия в быту и на производстве » Практическая электроника
Подписывайтесь на наш канал в Telegram: Мир электричества
Здесь можно оствавить комментарий, задать вопрос и просто пообщаться:
Чат по электротехнической тематике
О сайте Электрик Инфо и авторах статей