Как сделать выпрямитель и простейший блок питания
Выпрямитель — это устройство для преобразования переменного напряжения в постоянное. Это одна из самых часто встречающихся деталей в электроприборах, начиная от фена для волос, заканчивая всеми типами блоков питания с выходным напряжением постоянного тока. Есть разные схемы выпрямителей и каждая из них в определённой мере справляется со своей задачей. В этой статье мы расскажем о том, как сделать однофазный выпрямитель, и зачем он нужен.

Определение

Выпрямителем называется устройство, предназначенное для преобразования переменного тока в постоянный. Слово «постоянный» не совсем корректно, дело в том, что на выходе выпрямителя, в цепи синусоидального переменного напряжения, в любом случае окажется нестабилизированное пульсирующие напряжение. Простыми словами: постоянное по знаку, но изменяющееся по величине.

Различают два типа выпрямителей:
-
Однополупериодный. Он выпрямляет только одну полуволну входного напряжения. Характерны сильные пульсации и пониженное относительно входного напряжение.
-
Двухполупериодный. Соответственно, выпрямляется две полуволны. Пульсации ниже, напряжение выше чем на входе выпрямителя – это две основных характеристики.
Что значит стабилизированное и нестабилизированное напряжение?
Стабилизированным называется напряжение, которое не изменяется по величине независимо ни от нагрузки, ни от скачков входного напряжения. Для трансформаторных источников питания это особенно важно, потому что выходное напряжение зависит от входного и отличается от него на Ктрансформации раз.
Нестабилизированное напряжение – изменяется в зависимости от скачков в питающей сети и характеристик нагрузки. С таким блоком питания из-за просадок возможно неправильное функционирование подключенных приборов или их полная неработоспособность и выход из строя.
Выходное напряжение
Основные величины переменного напряжения — амплитудное и действующее значение. Когда говорят «в сети 220В переменки» имеют в виду действующее напряжение.

Если говорят об амплитудной величине, то имеют в виду, сколько вольт от нуля до верхней точки полуволны синусоиды.

Опустив теорию и ряд формул можно сказать, что действующее напряжение в 1.41 раз меньше амплитудного. Или:
Uа=Uд*√2
Амплитудное напряжение в сети 220В равняется:
220*1.41=310
Схемы
Однополупериодный выпрямитель состоит из одного диода. Он просто не пропускает обратную полуволну. На выходе получается напряжение с сильными пульсациями от нуля до амплитудного значения входного напряжения.
Если говорить совсем простым языком, то в этой схеме к нагрузке поступает половина от входного напряжения. Но это не совсем корректно.

Двухполупериодные схемы пропускают к нагрузке обе полуволны от входного. Выше в статье упоминалось об амплитудном значении напряжения, так вот напряжение на выходе выпрямителя то же ниже по величине, чем действующее переменное на входе.


Но, если сгладить пульсации с помощью конденсатора, то, чем меньшими будут пульсации, тем ближе напряжение будет к амплитудному.

О сглаживания пульсаций мы поговорим позже. А сейчас рассмотрим схемы диодных мостов.
Их две:
1. Выпрямитель по схеме Гретца или диодный мост;
2. Выпрямитель со средней точкой.
Первая схема более распространена. Состоит из диодного моста – четыре диода соединены между собой «квадратом», а в его плечи подключена нагрузка. Выпрямитель типа «мост» собирается по схеме приведенной ниже:


Её можно подключить напрямую к сети 220В, так сделано в современных импульсных блоках питания, или на вторичные обмотки сетевого (50 Гц) трансформатора. Диодные мосты по этой схеме можно собирать из дискретных (отдельных) диодов или использовать готовую сборку диодного моста в едином корпусе.

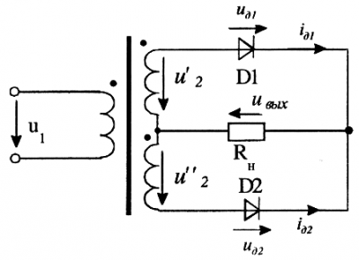
Вторая схема – выпрямитель со средней точкой не может быть подключена напрямую к сети. Её смысл заключается в использовании трансформатора с отводом от середины.

По своей сути – это два однополупериодных выпрямителя, подключенные к концам вторичной обмотки, нагрузка одним контактом подключается к точке соединения диодов, а вторым – к отводу от середины обмоток.
Её преимуществом перед первой схемой является меньшее количество полупроводниковых диодов. А недостатком – использование трансформатора со средней точкой или, как еще называют, отводом от середины. Они менее распространены чем обычные трансформаторы со вторичной обмоткой без отводов.
Сглаживание пульсаций
Питание пульсирующим напряжением неприемлемо для ряда потребителей, например, источники света и аудиоаппаратура. Тем более, что допустимые пульсации света регламентируются в государственных и отраслевых нормативных документах.
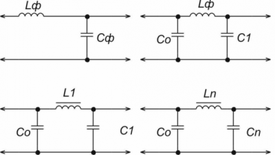
Для сглаживания пульсаций используют фильтры – параллельно установленный конденсатор, LC-фильтр, разнообразные П- и Г-фильтры…

Но самый распространенный и простой вариант – это конденсатор, установленный параллельно нагрузке. Его недостатком является то, что для снижения пульсаций на очень мощной нагрузке придется устанавливать конденсаторы очень большой емкости – десятки тысяч микрофарад.
Его принцип работы заключается в том, что конденсатор заряжается, его напряжение достигает амплитуды, питающее напряжение после точки максимальной амплитуды начинает снижаться, с этого момента нагрузка питается от конденсатора. Конденсатор разряжается в зависимости от сопротивления нагрузки (или её эквивалентного сопротивления, если она не резистивная). Чем больше емкость конденсатора – тем меньшие будут пульсации, если сравнивать с конденсатором с меньшей емкостью, подключенного к этой же нагрузке.
Простым словами: чем медленнее разряжается конденсатор – тем меньше пульсации.
Скорости разряда конденсатора зависит от потребляемого нагрузкой тока. Её можно определить по формуле постоянной времени:
t=RC,
где R – сопротивление нагрузки, а C – емкость сглаживающего конденсатора.
Таким образом, с полностью заряженного состояния до полностью разряженного конденсатор разрядится за 3-5 t. Заряжается с той же скоростью, если заряд происходит через резистор, поэтому в нашем случае это неважно.
Отсюда следует – чтобы добиться приемлемого уровня пульсаций (он определяется требованиями нагрузки к источнику питания) нужна емкость, которая разрядится за время в разы превышающее t. Так как сопротивления большинства нагрузок сравнительно малы, нужна большая емкость, поэтому в целях сглаживания пульсаций на выходе выпрямителя применяют электролитические конденсаторы, их еще называют полярными или поляризованными.
Обратите внимание, что путать полярность электролитического конденсатора крайне не рекомендуется, потому что это чревато его выходом из строя и даже взрывом. Современные конденсаторы защищены от взрыва – у них на верхней крышке есть выштамповка в виде креста, по которой корпус просто треснут. Но из конденсатора выйдет струя дыма, будет плохо, если она попадет вам в глаза.
Расчет емкости ведется исходя из того какой коэффициент пульсаций нужно обеспечить. Если выражаться простым языком, то коэффициентом пульсаций показывает, на какой процент проседает напряжение (пульсирует).
Чтобы посчитать емкость сглаживающего конденсатора можно использовать приближенную формулу:
C=3200*Iн/Uн*Kп,
Где Iн – ток нагрузки, Uн – напряжение нагрузки, Kн – коэффициент пульсаций.
Для большинства типов аппаратуры коэффициент пульсаций берется 0.01-0.001. Дополнительно желательно установить керамический конденсатор как можно большей емкости, для фильтрации от высокочастотных помех.
Как сделать блок питания своими руками?

Простейший блок питания постоянного тока состоит из трёх элементов:
1. Трансформатор;
2. Диодный мост;
3. Конденсатор.
Если нужно получить высокое напряжение, и вы пренебрегаете гальванической развязкой то можно исключить трансформатор из списка, тогда вы получите постоянное напряжение вплоть до 300-310В. Такая схема стоит на входе импульсных блоков питания, например, такого как у вас на компьютере. О них мы недавно писали большую статью — Как устроен компьютерный блок питания.

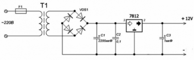
Это нестабилизированный блок питания постоянного тока со сглаживающим конденсатором. Напряжение на его выходе больше чем переменное напряжение вторичной обмотке. Это значит, что если у вас трансформатор 220/12 (первичная на 220В, а вторичная на 12В), то на выходе вы получите 15-17В постоянки. Эта величина зависит от емкости сглаживающего конденсатора. Эту схему можно использовать для питания любой нагрузки, если для нее неважно, то, что напряжение может «плавать» при изменениях напряжения питающей сети.
Важно:
У конденсатора две основных характеристики – емкость и напряжение. Как подбирать емкость мы разобрались, а с подбором напряжения – нет. Напряжение конденсатора должно превышать амплитудное напряжение на выходе выпрямителя хотя бы в половину. Если фактическое напряжение на обкладках конденсатора превысит номинальное – велика вероятность его выхода из строя.
Старые советские конденсаторы делались с хорошим запасом по напряжению, но сейчас все используют дешевые электролиты из Китая, где в лучшем случае есть малый запас, а в худшем – и указанного номинального напряжения не выдержит. Поэтому не экономьте на надежности.


Стабилизированный блок питания отличается от предыдущего всего лишь наличием стабилизатора напряжения (или тока). Простейший вариант – использовать L78xx или другие линейные стабилизаторы, типа отечественного КРЕН.
Так вы можете получить любое напряжение, единственное условие при использовании подобных стабилизаторов, это то, напряжение до стабилизатора должно превышать стабилизированную (выходную) величину хотя бы на 1.5В. Рассмотрим, что написано в даташите 12В стабилизатора L7812:

Входное напряжение не должно превышать 35В, для стабилизаторов от 5 до 12В, и 40В для стабилизаторов на 20-24В.

Входное напряжение должно превышать выходное на 2-2.5В.
Полная версия даташита https://www.jameco.com/Jameco/Products/ProdDS/889305.pdf
Т.е. для стабилизированного БП на 12В со стабилизатором серии L7812 нужно, чтобы выпрямленное напряжение лежало в пределах 14.5-35В, чтобы избежать просадок, будет идеальным решением применять трансформатора с вторичной обмоткой на 12В.
Но выходной ток достаточно скромный – всего 1.5А, его можно усилить с помощью проходного транзистора. Если у вас есть PNP-транзисторы, можно использовать эту схему:

На ней изображено только подключение линейного стабилизатора «левая» часть схемы с трансформатором и выпрямителем опущена.
Если у вас есть NPN-транзисторы типа КТ803/КТ805/КТ808, то подойдет эта:

Стоит отметить, что во второй схеме выходное напряжение будет меньше напряжения стабилизации на 0.6В – это падение на переходе эмиттер база, подробнее об этом мы писали в статье о биполярных транзисторах. Для компенсации этого падения в цепь был введен диод D1.
Можно и в параллель установить два линейных стабилизатора, но не нужно! Из-за возможных отклонений при изготовлении нагрузка будет распределяться неравномерно и один из них может из-за этого сгореть.
Установите и транзистор, и линейный стабилизатор на радиатор, желательно на разные радиаторы. Они сильно греются.
Регулируемые блоки питания
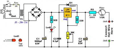
Простейший регулируемый блок питания можно сделать с регулируемым линейным стабилизатором LM317, её ток тоже до 1.5 А, вы можете усилить схему проходным транзистором, как было описано выше.

Вот более наглядная схема для сборки регулируемого блока питания.

Чтобы получить больший ток можно и использовать более мощный регулируемый стабилизатор LM350.


В последних двух схемах есть индикация включения, которая показывает наличие напряжения на выходе диодного моста, выключатель 220В, предохранитель первичной обмотки.
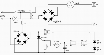
Вот пример регулируемого зарядного устройства для аккумулятора с тиристорным регулятором в первичной обмотке, по сути такой же регулируемый блок питания.

Кстати похожей схемой регулируют и сварочный ток:

Об этом выкладывалась статья ранее: Как сделать простой регулятор тока для сварочного трансформатора
Заключение
Выпрямитель используется в источниках питания для получения постоянного тока из переменного. Без его участия не получится запитать нагрузку постоянного тока, например светодиодную ленту или радиоприемник.
Также используются в разнообразных зарядных устройствах для автомобильных аккумуляторов, есть ряд схем с использованием трансформатора с группой отводов от первичной обмотки, которые переключаются галетным переключателем, а во вторичной обмотке установлен только диодный мост. Переключатель устанавливают со стороны высокого напряжения, так как, там в разы ниже ток и его контакты не будут пригорать от этого.
По схемам из статьи вы можете собрать простейший блок питания как для постоянной работы с каким-то устройством, так и для тестирования своих электронных самоделок.
Схемы не отличаются высоким КПД, но выдают стабилизированное напряжение без особых пульсаций, следует проверить емкости конденсаторов и рассчитать под конкретную нагрузку. Они отлично подойдут для работы маломощных аудиоусилителей, и не создадут дополнительного фона. Регулируемый блок питания станет полезным автолюбителями и автоэлектрикам для проверки реле регулятора напряжения генератора.
Регулируемый блок питания используется во всех областях электроники, а если его улучшить защитой от КЗ или стабилизатором тока на двух транзисторах, то вы получите почти полноценный лабораторный блок питания.
Алексей Бартош
Популярные публикации:
- Что можно сделать с помощью осциллографа
- Как происходит преобразование аналогового сигнала в цифровой
- Мощность резистора: обозначение на схеме, как увеличить, что делать, если нет подходящего
Надеюсь, что эта статья была для вас полезной. Смотрите также другие статьи в категории Электрическая энергия в быту и на производстве » Практическая электроника
Подписывайтесь на канал в Telegram про электронику для профессионалов и любителей: Практическая электроника на каждый день