Как защитить квартиру от превышения напряжения
От скачков напряжения перегорают лампочки, выходит из строя бытовая техника и даже может произойти аварийная ситуация в квартирной электропроводке. Повышенное напряжение наблюдается при перекосе фаз и других проблемах на линии. Давайте разбираться, как можно защитить электрооборудование квартиры от превышения напряжения.

Причины
Итак, по каким причинам происходит превышение напряжения в сети?
1. Перекос фаз.
2. Импульсные перенапряжения или т.н. скачки напряжения.
3. Колебания, вызванные разницей нагрузки в разное время суток или время года.
Стоит отметить что в ГОСТ 29322-2014 сказано: «напряжение питания не должно отличаться от номинального напряжения системы больше чем на ±10%» что для 220В лежит в пределах 198-242В.
Перекос фаз
Происходит в результате полного отгорания нулевого проводника на вводе в дом, квартиру или от ТП, или сильного ухудшения его контакта. При этом все однофазные потребители, которыми в большинстве случаев являются квартиры, оказываются соединёнными последовательно на Uлинейное.
Тогда напряжение между ними распределяется по закону Ома, где в качестве сопротивления R выступает приведенное сопротивления подключенной в квартирах нагрузки. Если сказать простым языком, то там, где подключено мало приборов и они маломощные напряжение будет высоким, а где подключены мощные обогреватели – низким.
Кстати, при отгорании нуля на вводе характерно такое явление как «две фазы в розетках».

Импульсные перенапряжения
Часто возникают в результате включения отключения мощных электроприборов или их группы. К этой же причине относятся и сварочные работы, чаще всего такое случается в частном секторе, когда какой-нибудь домашний мастер в очередной раз решает «подварить» ворота или забор.

Также скачки в питающей сети могут возникать из-за плохого контакта на воздушной линии электропередач (ВЛЭП),
Из-за погодных условий, таких как ветер, метель, ливень, гроза также может «прыгать» напряжение. Это происходит из-за их воздействия на ВЛЭП.
Сезонные или суточные колебания
В разное время суток происходят колебания напряжения из-за того, что изменяется нагрузка, например, вечером, когда люди приходят с работы они включают электроплиты, обогреватели и другие электроприборы, ток возрастает и в результате происходят просадки напряжения, а ночью, когда все спят и нагрузка уменьшается – напряжение может наоборот быть повышенным.
Летом также может повышаться напряжение, потому что отключаются электрокотлы и прочая техника. Хотя в городах летом наблюдаются просадки напряжения в связи с тем, что повсеместно начинают работать кондиционеры.

Если сказать простым языком, то колебания напряжения обусловлены тем, что на подстанции есть возможность регулировки напряжения либо с помощью переключения проводов к отводам обмоток, либо с помощью специальных систем. Так для того, чтобы обеспечить какой-то усредненный уровень напряжения под определенной нагрузкой и устанавливается определенное его значение. В результате, когда нагрузка большая – оно может проседать, а когда нагрузка маленькая – наоборот, повышаться.

Последствия
В результате длительных повышенных напряжений на нагревательных приборах выделяется большая мощность, что сокращает срок службы. При значительных превышения могут выходить из строя полупроводниковые и другие электронные компоненты бытовой техники – диоды, транзисторы и конденсаторы входных фильтров.

Последствия импульсных перенапряжений в сущности такие же, но амплитуда импульсов в этом случае может достигать нескольких киловольт.
Вероятны разные развития событий:
-
Перегорание предохранителей электроприборов;
-
Выход из строя компонентов схемы;
-
Срабатывание автоматических выключателей;
-
В самых негативных случаях возможны и возгорания.
Способы защиты
Чтобы обезопасить квартиру от превышения напряжения используют либо стабилизаторы, которые нормализируют напряжения до нормального уровня, либо отключают питание при критических параметрах сети.
В связи с этим можно выделить два вида приборов:
-
Регулирующие (стабилизаторы или ручные ЛАТРы);
-
Коммутирующие (РКН, РН, УЗМ и пр.).
Рассмотрим их особенности по отдельности.
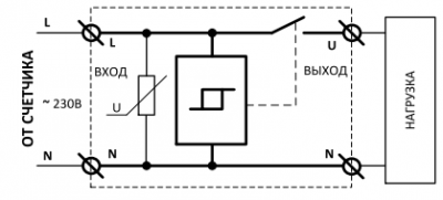
Реле напряжения
Под названием «реле напряжения» на современном рынке представлено множество устройств, начиная от «безымянного» Китая, заканчивая популярными и общепризнанными моделями, так можно выделить следующие:
Принцип действия:
-
Есть встроенное реле для отключения цепи;
-
Следит за напряжением в сети;
-
Вы можете установить верхний и нижний предел допустимых напряжений питания;
-
Когда напряжение в электросети станет больше или меньше установленных пределов – реле отключится и защищаемая цепь обесточится. Это может быть, как отдельный электроприбор, так и вся квартира;
-
Не спасает от импульсных перенапряжений;
-
Защищает только от повышенного или пониженного напряжения.
В зависимости от модели, устройство может работать как реле:
-
Максимального;
-
Минимального;
-
Максимального и минимального напряжения.
Такой функционал позволяет обеспечить защиту только от повышенного или пониженного напряжения, что уменьшит число отказов или отключений электроустановки. В некоторых случаях пониженные значения питающей сети являются допустимыми для работы, а в некоторых наоборот (например, электродвигателя не «любят» пониженного напряжения – сильно снижается момент и растёт ток).
По исполнению бывают:
-
Для установки на DIN-рейку в электрощит;
-
Для подключения в розетку (розеточные реле).
По числу фаз – однофазные и трёхфазные. При сборе трёхфазного щита также можно использовать три однофазных реле напряжения.
Оба исполнения одинаково хороши – розеточным реле можно обезопасить отдельное устройство, например, установив прибор для защиты холодильника, или группу устройств, например, компьютер подключенный через удлинитель.
Рассмотрим некоторые популярные модели для монтажа на DIN-рейку:
РН-106 или РН-104 – модели отличаются только номинальным током – 63 и 40 А соответственно. Диапазон регулирования срабатывания по Umin (минимальное напряжение) от 160 до 210 В, а по Umах от 230 до 280В. Также настраивается время, через которое произойдет автоматическое повторное включение (также называют АПВ или задержка включения) – от 5 до 900 с. У прибора удобные и интуитивно понятные органы регулировки.

Схема подключения довольно стандартна для аналогичных приборов.

РН-111М и РН-113М – это реле напряжения от того же производителя, но более позволяет применять его в большем диапазоне задач, ограничивать только максимальное или минимальное напряжение, или оба порога срабатывания. Главное 111 и 113-й модели – номинальный ток 16 и 32А соответственно, а также РН-113М занимает на 1 модель в щите больше чем 111М. Остальные характеристики у него, как и остальных устройств этого типа подобны.
Обратите внимание, что у устройства цепь питания отделена от исполнительной цепи, а на выходе стоит реле с нормально-замкнутым контактом, что также позволяет реализовать большее число схем защитной автоматики.

На примере РН-113М схема подключения может быть выполнена в двух вариантах, в зависимости от выполняемой функции (ограничение верхнего, нижнего или обоих уровней напряжения). Для РН-111М – аналогично.

Учтите, что реле напряжения должно быть установлено в цепи защищенной автоматическим выключателем (на схеме QF), поскольку функции защиты от перегрузки в подавляющем большинстве моделей нет.
Для увеличения мощности, которую коммутирует реле – используйте контактный пускатель, подключив его катушку вместо нагрузки, а саму нагрузку к силовым контактам КМ.
УЗИП и ОИН
Устройство защиты от импульсных перенапряжений (УЗИП) используется для защиты не от повышенного напряжения, а от высоковольтных скачков (импульсов). Представляют собой устройства, которые при возникновении импульсного перенапряжения величиной в несколько киловольт сбрасывают энергию импульса на землю.
Пример такого устройства является ОИН – ограничитель импульсных перенапряжений. Внутри которого установлен варистор.

Как уже было сказано, устройство подключается между фазным и защитным проводником. В случае использования системы TN-C (без заземления) – допускается установка между фазой и нулем после автомата.


Главным недостатком перечисленных устройств является то, что они условно одноразовые. Если энергия высоковольтного импульса была больше той, что может рассеять варистор в ОИН, то он выйдет из строя.
Но учтите, что установка таких приборов как УЗИП должна быть проведена только после консультации с опытным электриком. Поскольку сам по себе прибор может представлять опасность, если установлен, например, до автоматического выключателя, тогда ток КЗ, в случае пробоя УЗИП будет очень высоким, а отключить цепь сможет только ближайший автоматический выключатель, и будет очень плохо, если последний окажется аж в КТП. Также нельзя забывать и о том, что УЗИП может сработать и по причине естественного старения.
УЗМ
Хочется сказать отдельное слово о таких устройствах как УЗМ-50Ц и его аналогах производства ЭКМ «МЕАНДР», это комбинированное устройство, оно обеспечивает и функции реле напряжения, и защиты от высоковольтных импульсов, и вольт-амперметра. При этом производитель рекомендует использовать его совместно с полноценным УЗИП. Это обусловлено малой мощностью варистора. Технические характеристики приведены ниже:

На корпусе прибора кроме органов управления (двух кнопок) расположен трёхразрядный индикатор, на котором выводятся параметры при настройке, состояние и текущее напряжение, ток или потребляемая мощность.

Схема подключения достаточно простая, она приведена ниже.

Стабилизатор
И наконец для обеспечения стабильного напряжения в бытовой сети, а также защиты от скачков напряжения применяются стабилизаторы напряжения. Они бывают:
-
релейные;
-
электронные;
-
электромеханические;
-
феррорезонансные;
-
инверторные.
Самый дешевый вариант – релейные, а самый дорогой – инверторные. Стоит отметить что феррорезонансные приборы в настоящее время используются редко. Они использовались во времена СССР для питания телевизоров. Одним из популярных производителей является отечественная «РЕСАНТА», пример продукции которой вы видите ниже.

Релейные, электронные и электромеханические стабилизаторы построены на базе автотрансформатора, отличается лишь способ переключения отводов от его обмоток. Переключение может осуществляться с помощью:
-
реле;
-
сервопривода и подвижной щетки (электромеханические);
-
симисторов (электронные)
Подробнее мы рассматривали их принцип работы и виды в статье — Сетевые стабилизаторы напряжения 220В
Если кратко, то стабилизатор сетевого напряжения – это устройство, которое поддерживает одинаковое значение выходного напряжения при изменении входного, в установленных конструкцией пределах. Регулировка происходит плавно (сервоприводные приборы) и с заданным шагом (релейные или электронные).
По мощности эти приборы бывают как маломощные – на 500 Вт, для питания отдельных приборов, так и способные защитить всю квартиру – мощностью больше 10 кВт. По количеству фаз – однофазные и трёхфазные. На фото ниже вы можете наблюдать трёхфазную модель «РЕСАНТА АСН-15000/3-ЭМ», мощностью в 15 кВт.

Заключение
Посетители часто спрашивают «что лучше стабилизатор или реле напряжения?». На этот вопрос нельзя дать однозначный ответ, поскольку это разные приборы. Но если вы установите реле напряжения перед стабилизатором, то обезопасите не только электросеть вашего дома, но и сам дорогостоящий стабилизатор. В то время как для защиты отдельных электроприборов можно использовать как стабилизаторы, так и розеточные реле напряжения, так и эти устройства в паре.
Алексей Бартош
Популярные публикации:
- Прокладка кабеля по воздуху на даче
- Что такое заземление и заземляющее устройство, как оно работает и для чего предназначено
- Как подключить двигатель от стиральной машины к электрической сети 220 В
Надеюсь, что эта статья была для вас полезной. Смотрите также другие статьи в категории Электричество в доме, Электросхемы
Подписывайтесь на наш канал в Telegram: Мир электричества
Здесь можно оствавить комментарий, задать вопрос и просто пообщаться:
Чат по электротехнической тематике
О сайте Электрик Инфо и авторах статей