Пробник для проверки транзисторов

В случае ремонта электронных устройств «прозвонить» транзистор, установленный в схеме, не всегда удается, поэтому приходится его выпаивать из схемы. Часто такое вмешательство приводит к порче печатных плат, а иногда и самих транзисторов. Поэтому очень хорошо, если под рукой имеется устройство, позволяющее определить исправность транзистора без выпаивания его из платы. Схемы таких устройств приведены в этой статье.
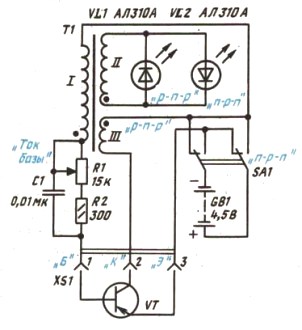
Схема пробника несложна и показана на рисунке 1.
Основой схемы является классический блокинг–генератор. На выходе такого генератора вырабатываются короткие прямоугольные импульсы. Естественно, что для получения работающего блокинг-генератора к разъему XS1 пробника следует получить испытуемый транзистор VT. Колебания получаются за счет положительной обратной связи в трансформаторе T1 через обмотку связи I. Оптимальная величина обратной связи подбирается вращением переменного резистора R1. Если ручку R1 снабдить шкалой, то по углу поворота движка можно приблизительно судить об усилительных свойствах транзистора.
Питание пробника осуществляется от трех гальванических элементов AAA или от «квадратной» батарейки. С помощью переключателя SA1 можно изменять полярность включения питания, что позволяет проверять транзисторы различной структуры, как показано на рисунке.

Рисунок 1. Схема пробника для проверки транзисторов
Возникновение генерации индицируется светодиодами VL1 VL2. При изменении полярности напряжения питания естественно меняется и полярность выходных импульсов, поэтому приходится устанавливать два светодиода.
Трансформатор блокинг-генератора изготавливается самостоятельно на сердечнике Ш6*8, хотя, без изменения количества витков, размер железа можно чуть увеличить. Такие трансформаторы применялись в приемниках «Альпинист» и подобных. Все обмотки выполнены обмоточным проводом ПЭВ1-0,2. Обмотка обратной связи I содержит 200 витков, выходная обмотка II 30 витков, коллекторная обмотка III 100 витков того же провода.
Пластины трансформатора собираются встык, как у дросселя постоянного тока: Ш — образные пластины вставляются в отверстие каркаса, а перемычки через тонкую бумажную прокладку поверх Ш – образных пластин. При подключении обмоток следует обратить внимание на их полярность, указанную на схеме точками: если при подключении заведомо исправного транзистора генератор не запустится, то следует поменять местами концы одной из обмоток, — коллекторной или базовой.
Подобная схема была частью прибора для проверки транзисторов ППТ-5 промышленного изготовления. Просто именно эта часть была позаимствована радиолюбителями, поскольку зарекомендовала себя с хорошей стороны.
Практически такую же схему опубликовали в одном буржуйском издании. Она мало отличается от описанной выше, и показана на рисунке 2.

Рисунок 2. Еще одна схема пробника для проверки транзисторов
Питание пробника производится от одного гальванического элемента напряжением 1,5В типа AA или AAA. Переключатель S2 изменяет полярность питания прибора для проверки транзисторов различной проводимости, как указано на схеме.
Конструкция трансформатора S показана тут же на рисунке 2. Он выполнен на ферритовом кольце типоразмера К10*6*4 с магнитной проницаемостью НМ2000. Коллекторная обмотка S содержит 6 витков, а базовая обмотка P всего 2 витка выполненных проводом ПЭВ2-0,2мм. Впрочем диаметр провода особого значения не имеет, поэтому для увеличения механической прочности его можно несколько увеличить. Кольцо тоже можно взять несколько большего диаметра.
Резистором VR устанавливается режим работы пробника, в точности так же, как в предыдущей схеме. Несколько упрощена схема подключения светодиодов, дополнительная обмотка отсутствует. Зажигание светодиодов осуществляется выбросами обратного напряжения на коллекторе испытуемого транзистора в момент его запирания.
Существует достаточно много различных схем для проверки транзисторов, но эти две, пожалуй, можно считать наиболее удачными. Единственный их недостаток, это необходимость намотки трансформатора.
Борис Аладышкин
Популярные публикации:
- Как проверить транзистор
- Электронные усилители. Часть 2. Усилители звуковых частот
- Электронные усилители
Надеюсь, что эта статья была для вас полезной. Смотрите также другие статьи в категории Электрическая энергия в быту и на производстве » Практическая электроника
Подписывайтесь на наш канал в Telegram: Мир электричества
Здесь можно оствавить комментарий, задать вопрос и просто пообщаться:
Чат по электротехнической тематике
О сайте Электрик Инфо и авторах статей