Реле контроля уровня для автоматизации насосных установок

Кроме электрических аппаратов общего применения (пускатели, промежуточные реле, переключатели и т. д.) при автоматизации насосных установок применяют специальные устройства контроля и управления, например, реле давления, реле контроля уровня, струйные реле и др.
Реле контроля уровня регулируют работу пускателей насоса и клапанов для управления уровнями жидкости. Такие устройства способны поддерживать установленный уровень воды в емкостях.
Современные реле контроля уровня жидкости — электронные устройства, чаще всего модульного исполнения, получающие сигналы от датчиков, обрабатывающие их по определенному алгоритму и комммутирующие подключенные к выходным контактам реле исполнительные элементы (электромагнитные клапаны, электродвигатели насосов).
Так как максимальный коммутируемый ток выходных цепей электронных реле контроля уровня обычно не превышает 10 А, то для коммутации мощных нагрузок необходимо ипользовать магнитные пускатели. В этом сучае реле уровня управляет катушкой пускателя, а пускатель своими силовыми контактами управляет исполнительными элементами насосной установки.
Электронные реле контроля уровня работают с электродными и поплавковми датчиками, манометрами, радиоактивными датчиками и т. д.
Электродный датчик уровня
Используется для того, чтобы контролировать уровень электропроводных жидкостей. Принцип работы: контроль сопротивления воды между однополюсными погруженными электродами, для чего применяется переменное напряжение.
Состоит из одного маленького электрода и двух длинных электродов, укрепленных в коробке зажимов. Один маленький электрод – это контакт верхнего уровня воды, а длинные – нижнего уровня воды. Соединение датчика с реле уровня и со схемой управления двигателем насоса выполняется проводами.
Если вода соприкасается с маленьким электродом, происходит выключение пускателя насоса. Когда уровень понижается до длинных электродов, насос включается.
Поплавковый датчик уровня

Используется для того, чтобы контролировать уровень воды в неагрессивных жидкостях. В открытую емкость погружается поплавок, который подвешивается на гибком тросе и уравновешивается грузом. На тросе закрепляются две переключающие опоры, с помощью которых при предельных уровнях воды в емкости коромысло контактного устройства поворачивается. Это коромысло замыкает контакты, которые включают или отключают электродвигатель насоса.
В случае с закрытой емкостью поплавок связывается своим рычагом с осью рычага. Ось с определенным уплотнителем пропускается в пространство через стенку корпуса, где находится контактная часть датчика. Через стенку емкости выполняется вывод проводов от контактов.
В большинстве случаев, подходящие датчики идут в комплете с реле уровня. Потребителю после приобретения такого набора необходимо только правильно все подключить и настроить.
Далее приведены устройства, отличающиеся высокой надежностью и отличными эксплуатационными параметрами.
Реле РКУ-1М – контролирует уровень жидкости и используется в автоматике регулирования наполнения и слива емкостей и в схемах защиты. Основные характеристики: максимальная коммутируемая мощность 3,5 Вт, питание 220В, число датчиков 3, один переключающий контакт, максимальное расстояние от датчика к реле 100 м.

Рис. 1. Реле РКУ-1М

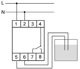
Рис. 2. Схема подключения насоса к РКУ-1М
Реле уровня воды РОС-301 – контролирует три уровня электропроводных жидкостей по независимым трем каналам в одной или разных емкостях.

Рис. 3. Реле РОС-301
Реле одноуровневое уровня воды PZ-828 – обладает регулируемой чувствительностью, напряжение — 230В, максимальный ток выходных цепей — 16А. В устройстве используется переключающий контакт.

Рис. 4. Реле PZ-828


Рис. 5. Схемы подключения реле PZ-828 (напрямую к нагрузке и через магнитный пускатель)
Двухуровневое реле PZ-829 представляет собой автомат, имеющий регулируемую чувствительность. Данное электронное устройство пособно на двух уровнях контролировать наличие жидкости.
Трехуровневое реле PZ-830 – контролирует и поддерживает установленный уровень токопроводящей жидкости управляя электродвигателем насосной установки. Трехуровневый автомат способен на трех уровнях контролировать наличие жидкости, где третий уровень является аварийным.


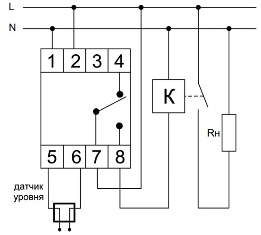
Рис. 6. Схема подключения четырехуровневого реле уровня PZ-830
Четырехуровневое реле PZ-832 – контролирует и поддерживает уровень токопроводящих жидкостей в емкостях, водонапорных башнях, бассейнах и т. д. управляя электродвигателями насосов.
Реле уровня жидкости, оснащенное тремя датчиками EBR-1 – электронное модульное реле, обладающее максимальным расстоянием между датчиками в 100 метров. Его можно применять для общественных водоемов (управление наполнением и сливом емкости или колодца). К механизму подключаются датчики, поставляемые вместе с реле контроля уровня жидкости.
Основные характеристики: мощность 3,5 VA, три датчика, максимальная чувствительность 50 КОм, питание 230 V, рабочая температура -100С – +450С, защита IP20.

Реле уровня EBR-1
Реле, оснащенное шестью датчиками EBR-2 – специально разработанное модульное реле контроля, применяемое в колодцах и резервуарах. Также данное реле обладает множеством настроек, уведомлением о достижении минимального и максимального показателей уровня воды, датчики имеют высокую чувствительность к электропроводности жидкости.
В комплект входят шесть датчиков. Благодаря стоимости данное реле контроля является идеальным вариантом для современного контролирования уровня воды.
PZ-832
Популярные публикации:
- Блоки защиты ламп «Гранит»: назначение, технические характеристики
- Терморегулятор для погреба своими руками
- Автоматизация процесса обогрева помещения с помощью инфракрасной пленки
Надеюсь, что эта статья была для вас полезной. Смотрите также другие статьи в категории Устройства автоматики, Электрообзоры
Подписывайтесь на наш канал в Telegram: Мир электричества
Здесь можно оствавить комментарий, задать вопрос и просто пообщаться:
Чат по электротехнической тематике
О сайте Электрик Инфо и авторах статей