Стабилизированные источники питания

Вся электронная аппаратура питается от источников постоянного тока. Для мобильной аппаратуры, как правило, используются аккумуляторы или гальванические батареи. Сейчас такой аппаратуры в руках и карманах предостаточно: это мобильные телефоны, фотоаппараты, планшетные компьютеры, различные измерительные приборы и еще многое другое.
Стационарная электроника, — телевизоры, компьютеры, музыкальные центры и т.п. питается от сети переменного тока с помощью блоков питания. Здесь уже ни в коем случае не обойтись батарейками или малогабаритными аккумуляторами.
Электронные устройства часто не являются самостоятельными и работающими «сами по себе». Прежде всего, это встраиваемые электронные блоки, например блок управления стиральной машиной или микроволновой печью. Но даже и в этом случае электронные блоки имеют свои отдельные блоки питания, чаще всего даже стабилизированные, и даже с защитой, что позволяет защитить как сам блок питания, так и нагрузку, т.е. подключенный блок управления.
В конструкциях разрабатываемых радиолюбителями всегда имеется блок питания, если, конечно, эта конструкция доведена до конца, а не заброшена на полдороги. К сожалению, такое случается достаточно часто. Но в общем случае конструирование какой-либо схемы состоит из нескольких этапов.
Среди них разработка принципиальной схемы, а также сборка и отладка ее на макетной плате. И только после получения требуемых результатов на макетке, приступают к разработке капитальной конструкции. Вот тогда разрабатывают монтажные платы, корпус и блок питания.
В процессе опытов на макетной плате чаще всего используются так называемые лабораторные блоки питания. Один и тот же блок приходится использовать для наладки самых различных конструкций, поэтому он должен обладать широкими возможностями.
Как правило, это блок с регулированием выходного напряжения, и обеспечивающий достаточный ток. Иногда блок питания выдает несколько напряжений, такие блоки называют многоканальными. Примером может служить обычный компьютерный блок питания или двухполярный источник для мощного УМЗЧ.
Когда блок питания рассчитан на одно фиксированное напряжение, например 5В, то совсем неплохо предусмотреть защиту от превышения выходного напряжения: если пробило выходной транзистор стабилизатора, то может пострадать схема, которая от него питается.
Хотя такая защита не очень сложна, всего несколько деталей, в промышленных схемах ее почему-то не делают, и она встречается только в радиолюбительских конструкциях, да и то не во всех. Но, тем не менее, такие схемы защиты есть.
Если внимательно посмотреть на устройства – потребители, то можно заметить, что все электронные устройства питаются напряжениями из стандартного ряда. Это, прежде всего, 5, 9, 12, 15, 24В. Исходя из этих значений, выпускается целый ряд интегральных стабилизаторов с фиксированными напряжениями.
По внешнему виду эти стабилизаторы напоминают обычный транзистор в корпусе TO-220 (похожий на КТ819) либо в корпусе D-PAK для поверхностного монтажа. Выходное напряжение имеет значения 5, 6, 8, 9, 10, 12, 15, 18, 24V. Эти напряжения отражаются прямо в маркировке стабилизаторов нанесенной на корпус прибора. Примерно это может выглядеть так: MC78XX или LM78XX.
В даташитах написано, что это трехвыводные стабилизаторы с фиксированным напряжением, как показано на рисунке 1.

Рисунок 1.
Схема включения предельно проста: запаяли всего три ноги и получили стабилизатор с требуемым напряжением и выходным током от 1…2А. В зависимости от конкретно взятого стабилизатора токи меняются, на что следует обратить внимание в документации. Кроме этого интегральные стабилизаторы имеют встроенную защиту от перегрева и защиту по току.
Первые две буквы указывают фирму производителя, а вторые XX заменяются цифрами, показывающими напряжение стабилизации, иногда первые две буквы заменяются одной…тремя или вовсе не указываются. Например, MC7805 обозначает стабилизатор с фиксированным напряжением 5В, а MC7812 то же, но с напряжением на выходе 12В.
Кроме стабилизаторов с фиксированными напряжениями в интегральном исполнении существуют регулируемые стабилизаторы, например LT317A, типовая схема включения которого показана на рисунке 2. Там же указаны и пределы регулировки напряжения.

Рисунок 2. Типовая схема включения регулируемого стабилизатора LT317A
Иногда просто нет под рукой регулируемого стабилизатора, как же решить эту проблему, можно ли обойтись без него? Ну, надо вот напряжение 7,5В и все тут! Оказывается, что из стабилизатора с фиксированным напряжением легко получается регулируемый. Подобная схема включения показана на рисунке 3.

Рисунок 3.
Диапазон регулировки в этом случае начинается от фиксированного напряжения примененного стабилизатора и ограничивается лишь величиной входного напряжения, естественно, за вычетом минимального падения напряжения на регулирующем транзисторе стабилизатора.
Если не требуется регулировки напряжения, а просто вместо 5В требуется получить, например 10, достаточно просто убрать транзистор VT1 и все, что с ним связано, а вместо него включить стабилитрон с напряжением стабилизации 5В. Естественно, что стабилитрон включается в непроводящем направлении: анод подключается к минусовой шине питания, а катод к 8 (2) выводу стабилизатора.
Заслуживает внимания нумерация выводов трехногого корпуса, показанная на рис.3, а именно: 17, 8, 2! Откуда она взялась, кто ее придумал – непонятно. Наверно, это снова происки наших разработчиков, чтобы «ихние» не догадались! Но такая цоколевка применяется, и с этим приходится мириться.
После того, как были рассмотрены интегральные стабилизаторы можно перейти к изготовлению блоков питания на их основе. Для этого необходимо только найти подходящий трансформатор, дополнить его диодным мостом с электролитическим конденсатором, и все это собрать в подходящем корпусе.
Лабораторный блок питания
Приступая к разработке лабораторного блока питания, следует определиться с его элементной базой, или, попросту говоря, из чего будем его делать. Проще всего желаемый блок собрать на микросхеме LT317A или ее отечественном аналоге КР142ЕН12А(Б) — регулируемые стабилизаторы напряжения.
Вернемся к рисунку 2. Там указано, что диапазон регулировки напряжения 1,25…25В. Предельно допустимое значение этого параметра до 1,25…37В, при входном напряжении 45В. Это предельно допустимое напряжение, поэтому лучше ограничиться 25 вольтовым диапазоном регулирования.
За максимальным током (1,5А) тоже лучше не гнаться, поэтому будем исходить из расчета хотя бы на один ампер, что как раз составляет 75%. Как никак запас прочности должен быть всегда. Поэтому для подобного блока питания понадобится выпрямитель с напряжением не менее 30…33В и током до 1А.
Cхема выпрямителя показана на рисунке 4. В случае, если потребляемый ток более одного ампера, стабилизатор следует дополнить внешними мощными транзисторами. Но это уже другая схема.

Рисунок 4. Схема выпрямителя
Расчет выпрямителя и трансформатора
Прежде всего, следует подобрать диоды выпрямительного моста, их прямой ток тоже должен быть не менее 1А, а лучше, если хотя бы 2А или больше. Здесь вполне подойдут диоды 1N5408 с прямым током 3А и обратным напряжением 1000В. Подойдут также отечественные диоды КД226 с любым буквенным индексом.
Электролитический конденсатор фильтра также можно просто подобрать, пользуясь практическими рекомендациями: на каждый ампер выходного тока одна тысяча микрофарад. Если мы планируем ток не более 1А, то подойдет конденсатор емкостью 1000µF. Электролитические конденсаторы, в отличие от керамических, не выносят повышенных напряжений, поэтому в схемах всегда указывают их рабочее напряжение, которое должно быть выше реального в данной цепи.
Для проектируемого блока питания понадобится конденсатор 1000µF * 50V. Ничего плохого не произойдет, если емкость конденсатора будет не 1000, а 1500…2000µF. Собственно выпрямитель уже сконструирован. Теперь, как говорится, дело за малым: осталось рассчитать трансформатор.
Прежде всего, следует определить мощность трансформатора. Это делается с учетом мощности нагрузки. Если выходной ток стабилизатора принять 1А, а входное напряжение стабилизатора 32В, то мощность, потребляемая от вторичной обмотки трансформатора P = U * I = 32 * 1 = 32Вт.
Какой потребуется трансформатор при такой мощности вторичной цепи? Все зависит от КПД трансформатора, чем больше габаритная мощность, тем выше КПД. На этот параметр влияет также качество и конструкция трансформаторного железа. Приблизительно определиться с этим вопросом поможет таблица, показанная на рисунке 5.

Рисунок 5.
Чтобы узнать габаритную мощность трансформатора надо мощность во вторичной обмотке разделить на КПД трансформатора. Предположим, что в нашем распоряжении имеется обычный трансформатор с Ш – образным железом, обозначенный в таблице как «броневой штампованный». Расчетная мощность проектируемого блока питания 32Вт, тогда мощность трансформатора 32 / 0,8 = 40Вт.
Как было написано чуть выше, для разрабатываемого блока питания требуется постоянное напряжение 30…33В. Тогда напряжение вторичной обмотки трансформатора составит 33 / 1,41 = 23,404В.
Это позволяет выбрать стандартный трансформатор с напряжением вторичной обмотки на холостом ходу 24В.
Чтобы не усложнять расчетов здесь не учитывается падение напряжения на диодах моста и на активном сопротивлении вторичной обмотки. Достаточно лишь сказать, что при токе в 1А диаметр провода вторичной обмотки обычно принимается не менее 0,6мм.
Такой трансформатор можно подобрать из унифицированных трансформаторов серии ТПП. Мощность трансформатора может быть и больше 40Вт это только улучшит надежность блока питания, хотя несколько увеличит его вес. Если трансформатор ТПП приобрести не удалось, то можно просто перемотать вторичную обмотку трансформатора подходящей мощности.
Если потребуется двухполярный регулируемый блок питания, то его можно собрать по схеме, показанной на рисунке 6. Для этого понадобится стабилизатор напряжения отрицательной полярности КР142ЕН18А или LM337. Схема его включения очень похожа на КР142ЕН12А.

Рисунок 6. Схема двухполярного регулируемого блока питания
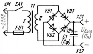
Совершенно очевидно, что для питания такого стабилизатора понадобится и двухполярный выпрямитель. Проще всего это делается на трансформаторе со средней точкой и диодном мосте, как показано на рисунке 7.

Рисунок 7. Схема двухполярного выпрямителя
Конструкция блока питания произвольная. Собственно выпрямитель и плату стабилизаторов можно собрать на отдельных платах или на одной. Микросхемы следует установить на радиаторы площадью не менее 100 квадратных сантиметров. Если хочется уменьшить размеры радиаторов можно применить принудительное охлаждение с помощью небольших компьютерных кулеров, коих сейчас в продаже предостаточно.
Несколько улучшенная схема включения стабилизатора показана на рисунке 8.

Рисунок 8. Типовая схема включения КР142ЕН12А
Диоды VD1, VD2 защитные типа 1N4007 предназначены для защиты микросхемы от пробоя в случае, когда напряжение на выходе превысит напряжение на входе. Такая ситуация может произойти при выключении микросхемы. Поэтому емкость электролитического конденсатора C2 не должна быть больше, чем емкость электролитического конденсатора на выходе диодного моста.
Конденсатор Cadj, подключенный к регулирующему выводу значительно снижает пульсации на выходе стабилизатора. Его емкость обычно несколько десятков микрофарад.
В конструкции блока питания желательно предусмотреть встроенные вольтметр и амперметр, лучше электронные, которые продаются в интернет-магазинах. Вот только цены у них кусаются, поэтому поначалу лучше обойтись без них, а требуемое напряжение установить с помощью мультиметра.
Борис Аладышкин
Популярные публикации:
- Измерение тока
- Измерение напряжения
- Про резисторы для начинающих заниматься электроникой
Надеюсь, что эта статья была для вас полезной. Смотрите также другие статьи в категории Электрическая энергия в быту и на производстве » Практическая электроника
Подписывайтесь на наш канал в Telegram: Мир электричества
Здесь можно оствавить комментарий, задать вопрос и просто пообщаться:
Чат по электротехнической тематике
О сайте Электрик Инфо и авторах статей