Электронные усилители

Термин усилитель весьма многозначен. Это может быть гидроусилитель, хорошо известный автомобилистам, магнитный усилитель, применявшийся когда-то в системах автоматики. Также известны электромеханические и релейные усилители.
Принцип работы всех усилителей одинаков: под воздействием слабого управляющего сигнала на выходе усилителя появляется мощный выходной сигнал. Естественно, что для получения выходного сигнала большой мощности требуется внешний источник энергии.
Например, на управление катушкой реле требуется мощность в доли ватта, в то время, как контакты могут коммутировать нагрузку в несколько киловатт. Что называется, налицо усиление по мощности. Но в этой статье будут вкратце рассмотрены только электронные усилители.
Электронные усилители
Именно они являются наиболее распространенным узлом различных приборов и устройств. В зависимости от выполняемой функции, от природы входного сигнала, усилители разделяются на несколько типов. В одном случае это, например, сигнал термопары, а в другом музыка, речь или сигнал телевизионной антенны, работающей в дециметровом диапазоне волн.
Но все электронные усилители объединяет то, что они используют явление электропроводимости в различных средах. Прежде всего это вакуум (электронные лампы) и полупроводники (транзисторы и микросхемы).
Большая часть электронных усилителей в настоящее время выполнена на полупроводниках, конструкции на лампах используются любителями очень качественного звука, меломанами, и еще там, где без ламп обойтись невозможно.
Усилители конструктивно могут быть как отдельным устройством, так и составной частью какого-либо прибора, например измерительного.
Усилители постоянного тока (УПТ)
Эти усилители работают в диапазоне частот от нуля до некоторой верхней частоты. Другими словами они способны усиливать постоянное напряжение. При этом, конечно же, усиливается и переменная составляющая сигнала. Схема, если не всего, то какой-то части УПТ показана на рисунке 1.

Рисунок 1. Схема усилителя постоянного тока
Для того, чтобы иметь возможность усиливать «постоянку», связь между каскадами выполняется с помощью резисторов, диодов, стабилитронов или вовсе непосредственно. Именно этот вариант и показан на рисунке 1. Наиболее широкое применение УПТ находят в системах автоматики, преобразователях неэлектрических величин, в измерительных приборах, в усилителях сигналов разных датчиков.
УПТ являются также основой для создания операционных усилителей (ОУ), которые широко применяются в различных приборах. Собственно, все УПТ в настоящее время строятся на основе ОУ, достоинства которых широко известны и не подлежат никакому сомнению.
На рисунке 2 показана схема УПТ на базе операционного усилителя. Как видно, она намного проще предыдущей, хотя параметры ее намного лучше.

Рисунок 2. УПТ на основе ОУ
Усилители переменного тока
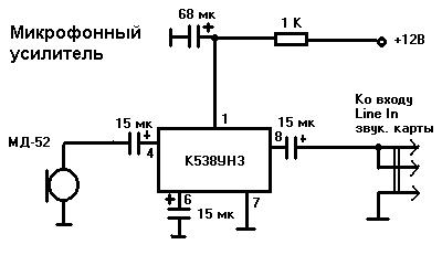
Усилители переменного тока отличаются от УПТ тем, что усиливают лишь переменную составляющую входного сигнала. В качестве примера на рисунке 3 показан микрофонный усилитель для динамического микрофона типа МД-52 или ему подобным, которым комплектовались отечественные магнитофоны.

Рисунок 3. Микрофонный усилитель
На входе и выходе усилителя, выполненного на микросхеме, установлены разделительные конденсаторы, что позволяет пропустить через усилитель только переменную составляющую сигнала.
Такая схема называется также микрофонным усилителем. Будучи подключенной к звуковой карте компьютера упомянутый микрофон позволяет получить прекрасный звук, гораздо лучший, нежели при помощи китайского компьютерного микрофона.
Усилитель прекрасно работает даже от +5В, поэтому запитать его можно от разъема USB, или вывести 12 вольт из компьютера. Налаживания устройство не требует, начинает работать сразу. Малое количество деталей позволяет собрать эту схему навесным монтажом, используя выводы деталей. При этом следует стремиться, чтобы соединения были как можно короче. Это спасет от наводок и помех.
Усилители высокой частоты
Применяются в основном в радиоприемниках и телевизорах. Их назначение несколько усилить входной сигнал, например, от антенны. Далее происходит супергетеродинное преобразование, и дальнейшее основное усиление происходит на промежуточной частоте. Спецификой таких усилителей является применение ВЧ транзисторов, а также особенности монтажа устройства. Подобный монтаж можно увидеть, если открыть радиочастотный блок любого современного телевизора.
Полосовые усилители
Полосовые усилители предназначены для усиления сигналов в узком диапазоне частот. В качестве примера можно привести усилители промежуточной частоты (УПЧ). Полоса частот в таких усилителях обеспечивается за счет колебательных контуров и фильтров сосредоточенной селекции (ФСС) или пьезокерамических фильтров (ПКФ). Ведь усилить сигнал в узкой полосе частот намного проще, чем создавать очень широкополосный усилитель.
Кроме уже упомянутых усилителей существует весьма большое количество из разновидностей, вот еще некоторые из них.
Предварительные усилители
Их назначение усилить сигнал от слабого источника до уровня, приемлемого для дальнейших каскадов. Например, поднять уровень магнитофонной приставки до входного уровня оконечного усилителя звуковой частоты. Предварительный усилитель также может включать в себя регуляторы тембра и громкости.
Для воспроизведения грамзаписи с виниловых дисков применяются специальные предварительные усилители-корректоры, формирующие частотную характеристику для работы с головкой звукоснимателя. Когда музыку записывали и слушали на магнитофонах, в ходу были усилители записи и воспроизведения. Назначение таких усилителей состояло в формировании требуемой частотной характеристики канала запись – воспроизведение.
Измерительные усилители
Чаще всего применяются в измерительных приборах, средствах автоматики, контроллерах управления промышленным оборудованием. Эти усилители также называют инструментальными. Они обладают очень малым собственным шумом, очень большим коэффициентом усиления (при разорванной цепи ОС) и очень большим коэффициентом подавления синфазных помех. Такие очень высокие характеристики достигаются применением определенного соединения нескольких ОУ. Вот, как много всяких «очень» у измерительных усилителей. На рисунке 4 показана классическая схема инструментального усилителя.

Рисунок 4. Схема инструментального усилителя
Наряду с этой схемой широкое применения находят также схемы на одном ОУ или двух. Встречаются и более сложные конструкции. В последнее время измерительные усилители выпускаются в интегральном варианте,- все что показано на рисунке 4 умещается в одном корпусе, при этом количество подстроечных элементов минимально, как правило, один внешний резистор. На рисунке 4 это R1, а на рисунке 5 резистор RG (GAIN).
Внутреннее устройство интегрального измерительного усилителя типа AD623, естественно, упрощенная схема показано на рисунке 5 . Отличительная особенность этого усилителя малая цена и способность работать с однополярным питанием.

Рисунок 5. Схема интегрального измерительного усилителя типа AD623
Борис Аладышкин
Популярные публикации:
- Что делать, если караоке-центр не читает DVD диски
- Схемы на компараторах
- Аналоговые компараторы
Надеюсь, что эта статья была для вас полезной. Смотрите также другие статьи в категории Электрическая энергия в быту и на производстве » Практическая электроника
Подписывайтесь на наш канал в Telegram: Мир электричества
Здесь можно оствавить комментарий, задать вопрос и просто пообщаться:
Чат по электротехнической тематике
О сайте Электрик Инфо и авторах статей