Микросхема 4046 (К564ГГ1) для устройств с удержанием резонанса — принцип работы
При создании силового электронного устройства с удержанием резонанса в LC-контуре, для синхронизации полученных колебаний с управляющими импульсами, идущими от драйвера, проектируют схему резонансного контроллера.
Задача данного контроллера — удержать резонансные колебания в LC-контуре посредством его возбуждения в такт собственным колебаниям. Чтобы этого добиться, контроллеру необходимо по цепи обратной связи получать от контура сигнал, содержащий данные о текущей частоте и фазе свободных колебаний в нем, после чего, с опорой на эти данные, поддерживать работу драйверного каскада синхронно с этими частотой и фазой, тогда и резонанс в контуре будет автоматически сохраняться.
Для построения такого контроллера подходит микросхема CD4046 или ее отечественный аналог К564ГГ1. Давайте рассмотрим устройство этой микросхемы, назначение ее выводов и схему подключения навесных компонентов, чтобы при необходимости понимать, с чем имеешь дело.

Данная микросхема позволяет легко организовать цепь ФАПЧ — фазовой автоподстройки частоты. Для построения ФАПЧ здесь используются три необходимых блока, расположенные внутри микросхемы: ГУН — генератор, управляемый напряжением, ФК — фазовый компаратор и ФНЧ — фильтр низкой частоты.

Встроенный в микросхему, ГУН выдает последовательность прямоугольных импульсов с заполнением 50%, то есть чистый меандр, начальная частота которого зависит от параметров двух RC-цепей: R1C1 и R2C2, присоединенных к нему снаружи микросхемы, а амплитуда в данном случае приближена к напряжению питания микросхемы U+.
Принцип работы ФАПЧ
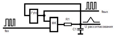
Внешний входной сигнал fвх подается на микросхему, на самом деле — на один из входов фазового компаратора ФК (ФК1 или ФК2 — выбирает разработчик) внутри нее. На второй вход ФК параллельно подается меандр, вырабатываемый ГУНом. В результате, на выходе ФК получается прямоугольный сигнал, длительность импульсов в котором зависит от разницы между импульсами с ГУНа и внешними импульсами в каждый момент времени.
По сути, длительность выходных импульсов с ФК пропорциональна разности фаз двух сравниваемых сигналов. Дело в том, что в роли ФК часто используется логический элемент «исключающее ИЛИ», это значит, что на выходе ФК высокий уровень напряжения будет лишь в том случае, если между сигналами есть разница, а если разницы нет то на выходе с ФК будет низкий уровень напряжения или состояние бездействия.

С выхода ФК сигнал подается на фильтр низкой частоты, представляющий собой простую RC-цепь, на конденсаторе которой получается пульсирующее напряжение рассогласования, причем уровень пульсаций оказывается пропорционален разнице двух сигналов (от внутреннего ГУН и подаваемого на микросхему извне), по сути — разности их фаз.
Полученное на конденсаторе ФНЧ, напряжение рассогласования тут же подается обратно на вход ГУН, и в зависимости от его средней величины частота ГУН будет автоматически перестраиваться так, чтобы частота меандра на его выходе fвых приближалась бы к частоте внешнего сигнала, приходящего на микросхему извне. По достижении такой ситуации, среднее напряжение на конденсаторе фильтра низкой частоты будет наименьшим — это и есть признак наступления максимального сближения двух сигналов по частоте и фазе. Когда сигнал таким образом захвачен, он продолжит удерживаться петлей ФАПЧ.
Пределы перестройки ГУН
Как вы уже поняли, частота ГУН способна перестраиваться в пределах определенного диапазона автоподстройки. Данный диапазон задается внешними компонентами микросхемы. А скорость реакции системы ФАПЧ определяется постоянной времени НЧФ (величинами C2 и R3). По этой причине следует строго подходить к выбору навесных компонентов микросхемы.

Напряжение питания микросхемы, конденсатор C1, а также резисторы R1 и R2 определяют диапазон автоподстройки частоты ГУН внутри микросхемы. Резистор R2 смещает минимальную частоту fmin ГУН выше от нуля. А соотношение между номиналами резисторов R1 и R2 определяет соотношение между максимальной и минимальной частотами — fmax/fmin, перестраиваемого выходного сигнала с ГУН.
Входы и выходы микросхемы
Вывод 4 — сигнальный выход ГУН, на нем в рабочем режиме меандр. Данный выход можно использовать для подачи сигнала к другим блокам проектируемого устройства.
Вывод 5 отвечает за включение и выключение ГУН. При подаче на данный вывод напряжения высокого уровня, микросхема отключится. При подаче напряжения низкого уровня (при подключении вывода 5 к общему проводу) — микросхема будет работать в штатном режиме.
Выводы 6 и 7. К ним подключается конденсатор C1 — это частотозадающий конденсатор ГУНа.
Вывод 8 — общий провод питания микросхемы.
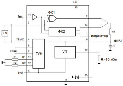
Резистор R1 – между выводом 11 и общим проводом. Резистор R2 – между выводом 12 и общим проводом. Это частотозадающие резисторы. Резистор R3 фильтра НЧ – к выводу 9 и выводу 2 или 13 (о разнице между ними будет сказано далее), конденсатор C2 фильтра НЧ – между выводом 9 и общим проводом.
Вывод 10 — выход усилителя-повторителя. Напряжение на нем в процессе работы микросхемы — это напряжение рассогласования, подаваемое на ФНЧ. Вывод 10 предназначен для того, чтобы напряжение рассогласования можно было при необходимости просто выделить без шунтирующего воздействия на конденсатор ФНЧ. К этому выводу допускается подключить резистор сопротивлением более 10 кОм.
Вывод 15 — на нем находится катод встроенного стабилитрона с напряжением стабилизации 5,6 вольт (напряжение стабилизации этого стабилитрона может быть иным, что зависит от производителя микросхемы). Данный стабилитрон можно при желании использовать в цепи питания микросхемы.
Вывод 16 — плюс питания микросхемы.
Входы и выходы фазовых компараторов ФК1 и ФК2
Меандр с выхода ГУН берется с вывода 4 и подается на вывод 3, присоединенный через усилитель-формирователь к входам фазовых компараторов ФК1 и ФК2. При желании сигнал с ГУН можно дополнительно пропустить через делитель частоты.
Вход 14 — сигнальный, на него и подается входной сигнал, с которым необходимо синхронизировать выходной сигнал на выходе ГУН. В зависимости от характера входного сигнала, разработчик может выбрать, какой из фазовых компараторов использовать: ФК1 или ФК2, и к выбранному компаратору присоединить резистор ФНЧ (к выводу 2 или 13). У фазового компаратора ФК2 есть индикаторный вывод 1, на нем появляется напряжение высокого уровня, когда сигналы максимально синхронизированы.

Особенность ФК1 в том, что он представляет собой простой логический элемент «исключающее ИЛИ», и качество его работы зависит от параметров ФНЧ на его выходе. Работа начинается с центральной частоты f0=(fmax-fmin)/2, имеется возможность захвата гармоники центральной частоты. Обладает высокой помехоустойчивостью.

Особенность ФК2 в том, что он обрабатывает лишь положительные перепады подаваемых на него импульсов, и скважность импульсов поэтому не имеет значения. Работа начинается с минимальной частоты fmin, возможности захвата гармоники центральной частоты нет. Обладает низкой помехоустойчивостью. В ФНЧ требуется конденсатор с малым током утечки. ФК2 лучше подходит для использования в силовых схемах с LC-резонансом.
Выбор навесных компонентов
В качестве фильтра низкой частоты ФНЧ устанавливаются резистор R3 и конденсатор C2. Для корректной работы ФАПЧ, постоянна времени RC должна быть в десятки раз больше примерной частоты захвата ФАПЧ.

Как правило, частота захвата приблизительно известна разработчику, поэтому изначально задаются диапазоном автоподстройки частоты: fmin и fmax. По первой номограмме определяют, с учетом напряжения питания микросхемы и требуемого fmin, величины R2 и С1. Затем, по второй номограмме, исходя из требуемого соотношения fmax/fmin подбирают R1. Лучше предусмотреть возможность регулировки резисторов в схеме.
Популярные публикации:
- Дроссель для защиты от синфазных помех, генерируемых импульсным источником питания
- Бутстрепный конденсатор в схеме управления полумостом
- Триггер Шмитта — общее представление
Надеюсь, что эта статья была для вас полезной. Смотрите также другие статьи в категории Электрическая энергия в быту и на производстве » Практическая электроника
Подписывайтесь на наш канал в Telegram: Мир электричества
Здесь можно оствавить комментарий, задать вопрос и просто пообщаться:
Чат по электротехнической тематике
О сайте Электрик Инфо и авторах статей