Простая RC-цепь для задержки прямоугольных импульсов
В ходе разработки контроллера импульсного преобразователя, например для построения схемы с удержанием резонанса, может потребоваться обеспечить задержку фронтов и спадов импульсной последовательности при подаче прямоугольного сигнала из одного блока схемы — в другой.
Иногда для решения данной задачи подходит простейшая цепь, состоящая из двух логических инверторов и RC-цепочки. Для данной цели удобно воспользоваться микросхемой, представляющей собой набор инверторов с достаточно определенными порогами срабатывания. Пример такой микросхемы — 74НС04, в ней находится 6 логических элементов «НЕ», и получается, что на одной такой микросхеме можно теоретически построить 3 цепи задержки по схеме, приведенной ниже.

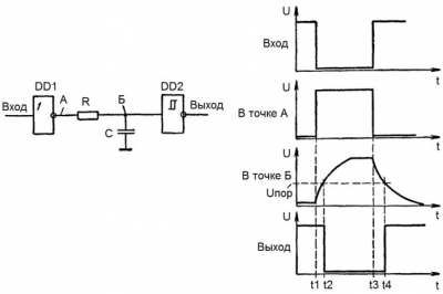
Практически, когда спад прямоугольного импульса приходит на вход первого инвертора, то на RC-цепь с его выхода приходит передний фронт, и начинается зарядка конденсатора. Напряжение на конденсаторе нарастает по экспоненте, и теоретически достигнет своего максимума (Uп) через промежуток времени, равный 5*RC секунд (здесь R – сопротивление резистора в омах, C – электроемкость конденсатора в фарадах).

Если конденсатор присоединен своей верхней обкладкой ко входу следующего логического элемента (ко входу второго инвертора), то по достижении напряжением на конденсаторе порога его срабатывания (Uпор), на его выходе появится спад, но с соответствующей задержкой по времени, относительно спада, поданного на вход первого инвертора. Теперь, пока напряжение на конденсаторе не опустилось до порога срабатывания второго инвертора, на его выходе будет удерживаться напряжение низкого уровня.
Когда же на входе первого инвертора появится передний фронт прямоугольного импульса, на его выходе сформируется спад, то есть возникнет напряжение низкого уровня, и резистор практически окажется подключен к нулевой шине. Конденсатор начнет разряжаться через резистор.
Напряжение на конденсаторе будет спадать по экспоненте, и теоретически достигнет нуля через промежуток времени, равный 5*RC. Но поскольку конденсатор верхней своей обкладкой присоединен ко входу второго инвертора, то как только напряжение на нем понизится до порога его срабатывания, на его выходе появится передний фронт, но с соответствующей задержкой по времени, относительно фронта, поданного на вход первого инвертора. И теперь, пока напряжение на конденсаторе вновь не поднимется до порога срабатывания второго инвертора, на его выходе будет удерживаться напряжение высокого уровня.

Если питать микросхему стабилизированным напряжением 5 вольт, то и пороговые напряжения будут всегда находиться на одних и тех же уровнях (с небольшой разницей для фронта и спада — см. datasheet на микросхему). И на практике временные параметры достигаемой таким образом задержки, можно рассчитать и настроить требуемым образом при помощи переменного резистора, особенно если под рукой у разработчика имеется осциллограф.
Правильный подход при подборе компонентов RC-цепи должен базироваться на том, что длительность смещаемого по фазе импульса желательно должна быть больше чем 5*RC, тогда схема сработает точно и расчеты, по приведенным формулам, окажутся корректными.

Если к приходу следующего импульса необходимо конденсатор быстрее разрядить, то в схему добавляют параллельную ветвь из еще одного резистора с диодом (или один диод, вообще без резистора), тогда для одного из циклов отработки цепи получится иная постоянная времени, чем у второго цикла.
Кроме того следует помнить, что входной и выходной токи микросхемы (на выходе из первого инвертора, как во время зарядки конденсатора, так и при его разрядке) ограничены предельно допустимыми значениями, которые можно найти в datasheet на применяемую микросхему. По этой причине для построения фазосдвигающих цепей такого плана применяют конденсаторы емкостью не более нескольких нанофарад, особенно если в одной из ветвей RC-цепочки используется диод без резистора.
Популярные публикации:
- Драйвер полевого транзистора из дискретных компонентов
- Выбор драйвера для MOSFET (пример расчета по параметрам)
- RCD-снаббер — принцип работы и пример расчета
Надеюсь, что эта статья была для вас полезной. Смотрите также другие статьи в категории Электрическая энергия в быту и на производстве » Практическая электроника
Подписывайтесь на наш канал в Telegram: Мир электричества
Здесь можно оствавить комментарий, задать вопрос и просто пообщаться:
Чат по электротехнической тематике
О сайте Электрик Инфо и авторах статей