Применение светодиодов в электронных схемах

Со светодиодами сейчас знакомы все. Без них просто немыслима современная техника. Это светодиодные фонари и лампы, индикация режимов работы различной бытовой техники, подсветка экранов компьютерных мониторов, телевизоров и много еще всяких вещей, о которых так сразу и не вспомнить. Все перечисленные устройства содержат светодиоды видимого диапазона излучения различных цветов: красного, зеленого, синего (RGB), желтого, белого. Современные технологии позволяют получить практически любой цвет.
Кроме светодиодов видимого диапазона излучения существуют светодиоды инфракрасного и ультрафиолетового свечения. Основная область применения таких светодиодов это устройства автоматики и управления. Достаточно вспомнить ПДУ различной бытовой техники. Если первые модели ПДУ применялись исключительно для управления телевизорами, то теперь с их помощью управляются настенные обогреватели, кондиционеры, вентиляторы и даже кухонная техника, например, кастрюли-мультиварки и хлебопечки.
Так что же такое светодиод?
По сути, светодиод мало чем отличается от обычного выпрямительного диода, — все тот же p-n переход, и все то же основное свойство односторонняя проводимость. По мере изучения p-n перехода выяснилось, что кроме односторонней проводимости он, этот самый переход, обладает еще несколькими дополнительными свойствами. В процессе эволюции полупроводниковой техники эти свойства изучались, развивались и совершенствовались.
Большой вклад в разработку полупроводников внес советский радиофизик Олег Владимирович Лосев (1903 — 1942). В 1919 году он поступил в знаменитую и известную до сих пор Нижегородскую радиолабораторию, а с 1929 году работал в Ленинградском физико-техническом институте. Одним из направлений деятельности ученого было исследование слабого, чуть заметного, свечения кристаллов полупроводников. Именно на этом эффекте и работают все современные светодиоды.
Это слабое свечение возникает при пропускании через p-n переход тока в прямом направлении. Но в настоящее время это явление изучено и усовершенствовано настолько, что яркость некоторых светодиодов такая, что можно просто ослепнуть.

Цветовая гамма светодиодов очень широка, практически все цвета радуги. Но цвет получается вовсе не изменением цвета корпуса светодиода. Это достигается тем, что в p-n переход добавляются легирующие примеси. Например, введение незначительного количества фосфора или алюминия позволяет получить цвета красного и желтого оттенков, а галлий и индий излучают свет от зеленого до голубого цвета. Корпус светодиода может быть прозрачным или матовым, если корпус цветной, то это просто светофильтр соответствующий цвету свечения p-n перехода.
Другим способом получения нужного цвета является введение люминофора. Люминофор – это вещество, дающее видимый свет при воздействии на него другим излучением, даже инфракрасным. Классический тому пример – лампы дневного света. В случае со светодиодами – белый цвет получается, если добавить люминофор в кристалл голубого свечения.
Для увеличения интенсивности излучения почти все светодиоды имеют фокусирующую линзу. Часто в качестве линзы используется торец прозрачного корпуса, имеющий сферическую форму. У светодиодов инфракрасного диапазона излучения иногда линза бывает на вид непрозрачная, дымчато-серого цвета. Хотя в последнее время инфракрасные светодиоды выпускаются просто в прозрачном корпусе, именно такие применяются в различных ПДУ.

Двухцветные светодиоды
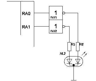
Тоже известны практически всем. Например, зарядник для мобильного телефона: пока идет зарядка индикатор светится красным цветом, а по окончании зарядки зеленым. Такая индикация возможна благодаря существованию двухцветных светодиодов, которые могут быть разных типов. Первый тип это трехвыводные светодиоды. В одном корпусе содержатся два светодиода, например, зеленый и красный, как показано на рисунке 1.

Рисунок 1. Схема подключения двухцветного светодиода
На рисунке показан фрагмент схемы с двухцветным светодиодом. В данном случае показан трехвыводный светодиод с общим катодом (бывают и с общим анодом) и его подключение к микроконтроллеру. В этом случае можно включить либо один, либо другой светодиод, либо сразу оба. Например, это будет красный или зеленый цвет, а при включении сразу двух светодиодов получится желтый. Если при этом с помощью ШИМ модуляции регулировать яркость каждого светодиода, то можно получить несколько промежуточных оттенков.
В этой схеме следует обратить внимание на то, что ограничительные резисторы включены отдельно для каждого светодиода, хотя, казалось бы, можно обойтись и одним, включив его в общий вывод. Но при таком включении яркость светодиодов будет изменяться при включении одного или двух светодиодов.
Какое напряжение нужно для светодиода Такой вопрос можно услышать достаточно часто, задают его те, кто не знаком со спецификой работы светодиода или просто люди весьма далекие от электричества. При этом приходится объяснять, что светодиод является прибором управляемым током, а не напряжением. Можно включить светодиод хоть на 220В, но при этом ток через него не должен превышать предельно допустимый. Это достигается включением последовательно со светодиодом балластного резистора.
Но все-таки, вспомнив о напряжении, следует заметить, что оно тоже играет большую роль, ведь светодиоды имеют большое прямое напряжение. Если для обычного кремниевого диода это напряжение порядка 0,6…0,7В, то для светодиода этот порог начинается от двух вольт и выше. Поэтому от одного гальванического элемента с напряжением 1,5В светодиод не зажечь.
Но при таком включении, имеется в виду 220В, не следует забывать о том, что обратное напряжение светодиода достаточно мало, не более нескольких десятков вольт. Поэтому, чтобы защитить светодиод от высокого обратного напряжения, принимаются специальные меры. Самый простой способ это встречно – параллельное подключение защитного диода, который может быть тоже не особо высоковольтным, например КД521. Под воздействием переменного напряжения диоды открываются поочередно, тем самым защищая друг друга от высокого обратного напряжения. Схема включения защитного диода показана на рисунке 2.

Рисунок 2. Схема подключения параллельно светодиоду защитного диода
Двухцветные светодиоды выпускаются также в корпусе с двумя выводами. Изменение цвета свечения в этом случае происходит при изменении направления тока. Классический пример — индикация направления вращения двигателя постоянного тока. При этом не следует забывать, что последовательно со светодиодом обязательно включается ограничительный резистор.
В последнее время ограничительный резистор просто встраивается в светодиод, и тогда, например, на ценниках в магазине просто пишут, что этот светодиод на напряжение 12В. Также по напряжению маркируются мигающие светодиоды: 3В, 6В, 12В. Внутри таких светодиодов имеется микроконтроллер (его даже можно рассмотреть сквозь прозрачный корпус), поэтому всякие попытки изменить частоту миганий результатов не дают. При такой маркировке можно включать светодиод напрямую к блоку питания на указанное напряжение.
Разработки японских радиолюбителей
Радиолюбительством, оказывается, занимаются не только в странах бывшего СССР, но и в такой «электронной стране», как Япония. Конечно, даже японскому рядовому радиолюбителю не под силу создание очень сложных устройств, а вот отдельные схемотехнические решения заслуживают внимания. Мало ли в какой схеме эти решения могут пригодиться.
Приведем обзор относительно несложных устройств, в которых используются светодиоды. В большинстве случаев управление осуществляется от микроконтроллеров, и от этого никуда не денешься. Даже для несложной схемы проще написать коротенькую программу и запаять контроллер в корпусе DIP-8, чем паять несколько микросхем, конденсаторов и транзисторов. Привлекательно в этом еще и то, что некоторые микроконтроллеры могут работать совсем без навесных деталей.
Схема управления двухцветным светодиодом
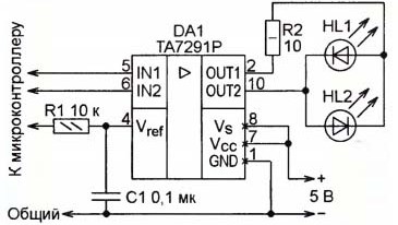
Интересную схему для управления мощным двухцветным светодиодом предлагают японские радиолюбители. Точнее, здесь используются два мощных светодиода с током до 1А. Но, надо полагать, что существуют и мощные двухцветные светодиоды. Схема показана на рисунке 3.

Рисунок 3. Схема управления мощным двухцветным светодиодом
Микросхема TA7291P предназначена для управления двигателями постоянного тока небольшой мощности. Она обеспечивает несколько режимов, а именно: вращение вперед, назад, стоп и торможение. Выходной каскад микросхемы собран по мостовой схеме, что и позволяет выполнять все перечисленные выше операции. Но стоило приложить некоторую фантазию и вот, пожалуйста, у микросхемы появилась новая профессия.
Логика работы микросхемы достаточно проста. Как видно на рисунке 3 микросхема имеет 2 входа (IN1, IN2) и два выхода (OUT1, OUT2), к которым подключены два мощных светодиода. Когда логические уровни на входах 1 и 2 одинаковы (безразлично 00 или 11), то потенциалы выходов равны, оба светодиода погашены.
При разных логических уровнях на входах микросхема работает следующим образом. Если на одном из входов, например, IN1 имеется низкий логический уровень, то выход OUT1, соединяется с общим проводом. Катод светодиода HL2 через резистор R2 тоже соединяется с общим проводом. Напряжение на выходе OUT2 (при наличии на входе IN2 логической единицы) в этом случае зависит от напряжения на входе V_ref, что позволяет регулировать яркость свечения светодиода HL2.
В данном случае напряжение V_ref получается из ШИМ импульсов от микроконтроллера с помощью интегрирующей цепочки R1C1, что регулирует яркость светодиода, подключенного к выходу. Микроконтроллер управляет также и входами IN1 и IN2, что позволяет получить самые разнообразные оттенки свечения и алгоритмы управления светодиодами. Сопротивление резистора R2 рассчитывается исходя из предельно допустимого тока светодиодов. Как это сделать будет рассказано ниже.
На рисунке 4 показано внутреннее устройство микросхемы TA7291P, ее структурная схема. Схема взята непосредственно из даташита, поэтому в качестве нагрузки на ней изображен электромотор.

Рисунок 4. Внутреннее устройство микросхемы TA7291P
По структурной схеме легко проследить пути тока через нагрузку и способы управления выходными транзисторами. Транзисторы включаются попарно, по диагонали: (верхний левый + нижний правый) или (верхний правый + нижний левый), что позволяет изменять направление и частоту вращения двигателя. В нашем случае зажигать один из светодиодов и управлять его яркостью.
Нижние транзисторы управляются сигналами IN1, IN2 и предназначены просто для включения-выключения диагоналей моста. Верхние транзисторы управляются сигналом Vref, именно они регулируют выходной ток. Схема управления, показанная просто квадратом, содержит также схему защиты от короткого замыкания и других непредвиденных обстоятельств.
Как рассчитать ограничительный резистор
В этих расчетах как всегда поможет закон Ома. Исходные данные для расчета пусть будут следующие: напряжение питания (U) 12В, ток через светодиод (I_HL) 10мА, светодиод подключен к источнику напряжения без всяких транзисторов и микросхем в качестве индикатора включения. Падение напряжения на светодиоде (U_HL) 2В.
Тогда совершенно очевидно, что на ограничительный резистор придется напряжение (U-U_HL), — два вольта «съел» сам светодиод. Тогда сопротивление ограничивающего резистора составит
R_o = (U-U_HL) / I_HL = (12 — 2) / 0,010 = 1000(Ω) или 1КОм.
Не забываем про систему СИ: напряжение в вольтах, ток в амперах, результат в Омах. Если светодиод включается транзистором, то в первой скобке из напряжения питания следует вычесть напряжение участка коллектор – эмиттер открытого транзистора. Но этого, как правило, никто никогда не делает, точность до сотых долей процента здесь не нужна, да и не получится ввиду разброса параметров деталей. Все расчеты в электронных схемах дают результаты приблизительные, остальное приходится достигать отладкой и настройкой.
Трехцветные светодиоды
Кроме двухцветных в последнее время широкое распространение получили трехцветные RGB светодиоды. Основное их назначение это декоративное освещение на сценах, на вечеринках, на Новогодних торжествах или на дискотеках. Такие светодиоды имеют корпус с четырьмя выводами, один из которых является общим анодом или катодом, в зависимости от конкретной модели.
Но от одного или двух светодиодов, даже трехцветных, толку мало, поэтому приходится объединять их в гирлянды, а для управления гирляндами использовать всевозможные устройства управления, которые чаще всего называют контроллерами.
Сборка гирлянд из отдельных светодиодов дело скучное и малоинтересное. Поэтому в последние годы промышленность стала выпускать светодиодные ленты разных цветов, а также ленты на базе трехцветных (RGB) светодиодов. Если одноцветные ленты выпускаются на напряжение 12В, то рабочее напряжение трехцветных лент чаще бывает 24В.
Светодиодные ленты маркируются по напряжению, поскольку уже содержат ограничительные резисторы, поэтому их можно подключать напрямую к источнику напряжения. Источники для питания светодиодных лент продаются там же, где и ленты.
Для управления трехцветными светодиодами и лентами, для создания различных световых эффектов используются специальные контроллеры. С их помощью возможно простое переключение светодиодов, регулирование яркости, создание различных динамических эффектов, а также рисование узоров и даже картин. Создание подобных контроллеров привлекает многих радиолюбителей, естественно тех, кто умеет писать программы для микроконтроллеров.
С помощью трехцветного светодиода можно получить практически любой цвет, ведь цвет на экране телевизора получается также смешением всего трех цветов. Здесь уместно вспомнить еще одну разработку японских радиолюбителей. Ее принципиальная схема показана на рисунке 5.

Рисунок 5. Схема подключения трехцветного светодиода
Мощный 1Вт трехцветный светодиод содержит три излучателя. При номиналах резисторов, указанных на схеме, цвет свечения белый. Подбором номиналов резисторов возможно некоторое изменение оттенка: от белого холодного до белого теплого. В авторской конструкции светильник предназначен для освещения салона автомобиля. Уж им ли (японцам) быть в печали! Чтобы не заботиться о соблюдении полярности на входе устройства предусмотрен диодный мост. Монтаж устройства выполнен на макетной плате и показан на рисунке 6.

Рисунок 6. Макетная плата
Следующая разработка японских радиолюбителей также автомобильного толка. Это устройство для подсветки номера, естественно, на белых светодиодах показано на рисунке 7.

Рисунок 7. Схема устройства для подсветки номера на белых светодиодах
В конструкции применены 6 мощных сверхъярких светодиодов с предельным током 35мА и световым потоком 4лм. Чтобы повысить надежность светодиодов, ток через них ограничен на уровне 27мА с помощью микросхемы стабилизатора напряжения, включенного по схеме стабилизатора тока.
Светодиоды EL1…EL3, резистор R1 вместе с микросхемой DA1 образуют стабилизатор тока. Стабильный ток через резистор R1, поддерживает на нем падение напряжения 1,25В. Вторая группа светодиодов подключена к стабилизатору через точно такой же резистор R2, поэтому ток через группу светодиодов EL4…EL6 также будет стабилизирован на том же уровне.
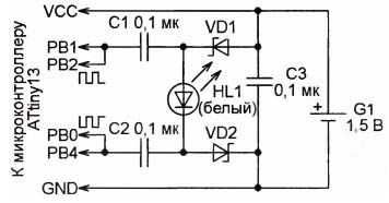
На рисунке 8 показана схема преобразователя для питания белого светодиода от одного гальванического элемента с напряжением 1,5В, что явно недостаточно для зажигания светодиода. Схема преобразователя очень проста и управляется микроконтроллером. По сути дела микроконтроллер представляет собой обычный мультивибратор с частотой импульсов около 40КГц. Для повышения нагрузочной способности выводы микроконтроллера соединены попарно в параллель.

Рисунок 8. Схема преобразователя для питания белого светодиода
Работает схема следующим образом. Когда на выводах PB1, PB2 низкий уровень, на выходах PB0, PB4 высокий. В это время конденсаторы C1, C2 через диоды VD1,VD2 заряжаются примерно до 1,4В. Когда состояние выходов контроллера меняется на противоположное, то к светодиоду будет приложена сумма напряжений двух заряженных конденсаторов плюс напряжение батареи питания. Таким образом к светодиоду в прямом направлении будет приложено почти 4,5В, что вполне достаточно для зажигания светодиода.
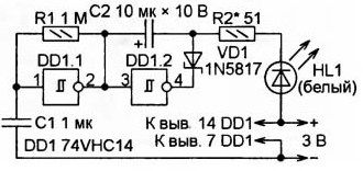
Подобный преобразователь можно собрать и без микроконтроллера, просто на логической микросхеме. Такая схема показана на рисунке 9.

Рисунок 9.
На элементе DD1.1 собран генератор прямоугольных колебаний, частота которого определяется номиналами R1,C1. Именно с этой частотой будет вспыхивать светодиод.
Когда на выходе элемента DD1.1 высокий уровень на выходе DD1.2 естественно высокий. В это время конденсатор C2 заряжается через диод VD1 от источника питания. Путь заряда следующий: плюс источника питания — DD1.1 – С2 — VD1 — DD1.2 – минус источника питания. В это время к белому светодиоду приложено только напряжение батареи, которого недостаточно для зажигания светодиода.
Когда на выходе элемента DD1.1 уровень становится низким, на выходе DD1.2 появляется высокий уровень, что приводит к запиранию диода VD1. Поэтому напряжение на конденсаторе С2 суммируется с напряжением батареи и эта сумма прикладывается к резистору R1 и светодиоду HL1. Этой суммы напряжений вполне достаточно для включения светодиода HL1. Далее цикл повторяется.
Как проверить светодиод
Если светодиод новый, то тут все просто: тот вывод, который чуть длиннее является плюсовым или анодом. Именно его и надо включать к плюсу источника питания, естественно не забывая про ограничительный резистор. Но в некоторых случаях, например, светодиод был выпаян из старой платы и выводы у него одинаковой длины, требуется прозвонка.
Мультиметры в такой ситуации ведут себя несколько непонятно. Например, мультиметр DT838 в режиме проверки полупроводников может просто незначительно подсветить проверяемый светодиод, но при этом на индикаторе показывается обрыв.
Поэтому в ряде случаев лучше проверять светодиоды, подсоединяя их через ограничительный резистор к источнику питания, как показано на рисунке 10. Номинал резистора 200…500Ом.

Рисунок 10. Схема проверки светодиода
Последовательное включение светодиодов

Рисунок 11. Последовательное включение светодиодов
Рассчитать сопротивление ограничительного резистора несложно. Для этого надо сложить прямое напряжение на всех светодиодах, вычесть его из напряжения источника питания, а полученный остаток разделить на заданный ток.
R = (U – (U_HL_1 + U_HL_2 + U_HL_3)) / I
Предположим, что напряжение источника питания 12В, а падение напряжения на светодиодах 2В, 2,5В и 1,8В. Даже если светодиоды взяты из одной коробочки все равно может быть вот такой разброс!
По условию задачи задан ток 20мА. Осталось подставить все значения в формулу и поучить ответ.
R = (12– (2 + 2,5 + 1,8)) / 0,02 = 285Ω
Параллельное включение светодиодов

Рисунок 12. Параллельное включение светодиодов
На левом фрагменте все три светодиода подключены через один токоограничивающий резистор. Но почему эта схема перечеркнута, в чем ее недостатки?
Здесь сказывается разброс параметров светодиодов. Наибольший ток пойдет через тот светодиод, у которого падение напряжения меньше, то есть меньше и внутреннее сопротивление. Поэтому при таком включении никак не удастся добиться равномерного свечения светодиодов. Поэтому правильной схемой следует признать схему, показанную на рисунке 12 справа.
Борис Аладышкин
Популярные публикации:
- Стабилизированные источники питания
- Измерение тока
- Измерение напряжения
Надеюсь, что эта статья была для вас полезной. Смотрите также другие статьи в категории Практическая электроника, Все про светодиоды
Подписывайтесь на наш канал в Telegram: Мир электричества
Здесь можно оствавить комментарий, задать вопрос и просто пообщаться:
Чат по электротехнической тематике
О сайте Электрик Инфо и авторах статей