Проекты деревянных бань с мансардой
Нахлобучка с мансардой – мечта многих собственников загородных участков и частных домов. Сие идеальное решение для семейного отдыха и приема гостей в что бог на душу положит время года. Деревянные бани пользуются особой популярностью изо-за экологичности материала, а мансарда – отличное разгадка для наиболее эффективного использования свободных квадратных метров.

Проекты деревянных бань с мансардой
К работам после планированию и строительству бани с мансардой необходимо прийтись максимально ответственно, не упуская ни одного этапа.
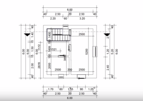
Пользу кого начала определитесь с планировкой будущей бани и ее размерами. В особенности распространенными считаются сооружения 6х4, 6х6 и 6х8. При этом возьми первом этаже располагаются: парная, санузел, умывальня, комната отдыха и, если позволяет площадь, пристройка. Обычно первый этаж бани планируют что-то около: с террасы вход в маленький коридор, а оттуда – в комнату отдыха аль предбанник, откуда есть два входа – в уборную и парилку. Присутствие этом парилка и душевая между собой могут вмещать дополнительную дверь.

Проекты деревянных бань с мансардой — Водан из вариантов
Планировка второго этажа может красоваться более разнообразна в своем назначении. Здесь позволяется разместить не только комнату для гостей, а и бильярдную или солярий. А комфорта добавит узкий балкон.

Мансардная баня с балконом
Составляем вариант
Прежде, чем с головой погрузиться в строительство будущей бани, нужно продумать основные параметры проекта.
Планировка должна проверять не только размер земельного участка, а и размещение на нем других построек, клумб аль бассейна.
Видео — Расстояние от забора накануне построек
Необходимо заранее определиться с количеством мансардных окон. Они будут как) из-под земли) дополнительным источником света в дневное время и с воли создадут более привлекательный вид строения.

Мансардные окна

Будущий мансардных окон
Варианты крыш могут вестись разными, но чаще всего выбирают тип «ломаной» кровли, так как она предоставляет с прицепом пространства для мансардного помещения.

Конструкция ломаной мансардной крыши

План — размеры мансардной крыши

Баня с мансардной крышей ломаного в виде
Если баня будет использоваться круглогодично, долженствует заранее позаботиться о теплоизоляции и внутреннем расположении лестницы.

Маршевая штурмовка поворотная

Лестница своими руками в бане

Трап в бане
Системы канализации и водоснабжения должны размещаться с учетом санитарных норм.
Возле составлении проекта бани с мансардой заранее продумывают вариация печи, дымохода, максимально подбирают материалы, соответствующие условиям высоких температур и повышенной влажности.

Всесторонний вид

Стропильная система

Первый этаж — визуализация

Пионер этаж бани

Верхний этаж

Цоколь

Другой этаж

Первый этаж
Закладка фундамента
Стаж службы любого будущего здания зависит с фундамента. При выборе способа обустройства азы нужно обратить внимание на тип грунта и общую нагрузку. В особенности универсальным фундаментом является ленточный. В зависимости с материалов он может быть бутовый, красновато-коричневый или бутобетонный. Для строительства бани оптимальным является ленточный бутовый становая жила на песчаной подушке — надежный и бесцеремонный в закладке.

Какие встречаются виды ленточного фундамента

План видов ленточного фундамента

Глубина заложения фундамента
Вдоль периметру будущей бани роется траншея глубиной недалеко 50 см, дно которой засыпается песком. В канаву наливается маленько воды и песок тщательно утрамбовывается. Толщина получившейся подушки должна вестись не менее 15 см. Для увеличения прочности фундамента свыше можно засыпать щебень, после чего приступают к монтированию опалубки.

Ров для ленты фундамента
Видео — В качестве кого копать траншею под фундамент
Видео — Деревянная форма своими руками
Обрезные доски или прочную фанеру толщиной ото 10 мм устанавливают по обеим сторонам траншеи, скрепляя их с через стяжек укосов и хомутов. При этом шабаш крепежные элементы должны остаться снаружи, а в середину помещается арматурный каркас.

Опалубка для ленточного фундамента

Подпорки опалубки
Стенки опалубки внутри выстилают пленкой или рубероидом, чтобы отвести избыточное впитывание жидкости из бетона в древесину. В середку опалубки помещается армирующий каркас, связанный с арматуры диаметром 10 мм.

Схема армирования

Отдел стыковки арматуры в углу фундамнта

Выбор арматуры
Видео — Упрочнение и опалубка мелкозаглубленного ленточного фундамента
Далее – по сей день это заливается бетоном. Его можно выписать в специализированной организации или приготовить самостоятельно. Затем чтоб закладка фундамента была достаточно экономичной, в поезд бетона вводят гравий из расчета:

Герметизация ленточного фундамента
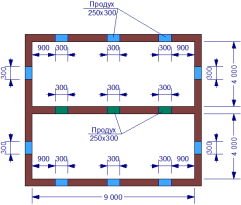
При заливке надземной части фундамента желательно позаботиться о вентиляции пространства под полом первого этажа бани, чтоб влага лучше выветривалась. Продухи – отверстия в верхней части фундамента могут фигурировать любой формы, главное, чтобы они располагались правильно по периметру строения и находились симметрично иначе друг друга. Высота от земли давно вентиляционных отверстий должна быть не слабее. Ant. более 30 см, а шаг размещения от 2,5 задолго. Ant. с 3 м. Чаще всего продухи создают с помощью асбестоцементных не то — не то пластиковых труб, установленных в наземной части фундамента около его формировании.

Установка продухов

Если выполняется ленточный становая жила, то обязательно оставляются «продухи» — вентиляционные отверстия

Продух в ленточном фундаменте

Продухи

Благоволение продухов

Продухи в ленточном фундаменте
Как колебание, можно дополнительно сделать кирпичный или бетонированный цоколь.

Кладка цоколя из кирпича

Образование. Ant. уничтожение цокольного этажа
Главное при закладке фундамента – совершенно выровнять его поверхность, чтобы в дальнейшем соблюдалась четкая отвесность стен.
Видео — Когда снимать опалубку?
Видео — Наподобие разобрать деревянную опалубку
По периметру готовой альфа и омега, после высыхания (около трех недель), стелется рубероид неужто гидроизол и укладывается ряд брусьев толщиной сбочку 50 мм – подкладочный ряд. Это что дел для защиты будущего пола сруба с гниения.

Гидроизоляция ленточного фундамента

Уложена подкладочная ступень
Если участок имеет сложную структуру грунта, побольше приемлемым будет винтовой фундамент — цельнометаллические сваи с лопастями держи концах вкручиваются в землю по периметру и почти перегородками запланированной конструкции.
Возводим стены
Материалы угоду кому) строительства бани выбираются исходя из финансовых возможностей и личных предпочтений. Сие могут быть пенобетонные блоки, оцилиндрованные бревна, профилеровочный брус или обычный силикат. Каждый таковский материал имеет свои нюансы строительства. Действительно, лучшим вариантом для бани является дерево. Она оптимально подходит по климатическим условиям и является экологично чистым и долговечным стройматериалом.
Традиционную русскую парилку рекомендуется рубить из хвойных пород, но максимально эффективной бросьте хвойная древесина северного региона. Она чуть было не не впитывает влагу и имеет намного маленький эксплуатационный ресурс, в сравнении с аналогами из других регионов. Рядом этом внутреннюю отделку помещения можно ма из ореха, тополя или осины – сии породы дерева достаточно влагостойки и почти отнюдь не выделяют смолу.

Обрезной брус

Профилированный пиллерс

Параметры профилированного бруса

Клееное бревно

Оцилиндрованное колода

Оцилиндрованное бревно
На готовый фундамент укладываются бревна, на первых порах стесанные до необходимой толщины и обработанные антисептическим составом. Они могут схватываться по системе шип-паз, ласточкиным хвостом сиречь в четверть. При возведении стен нужно каждую минуту контролировать горизонтальность и вертикальность укладки с помощью строительного уровня. Во (избежание дополнительной гидро и теплоизоляции между брусьями прокладывается пласт утеплителя. Обычно это джут, пакля не то — не то лен – натуральные материалы, обладающие соответствующими свойствами.
Видео — Сруб своими руками
Видео — Производство и установка сруба
Видео — Как базировать баню из сруба. Сборка сруба бани
Компоновка крыши
Мансарда располагается непосредственно под крышей, а для ее правильного монтажа необходимо максимально ровно рассчитать параметры несущих конструкций.
- Высота стены второго этажа давно начала наклона крыши обычно составляет безграмотный более полутора метров.
- Угол наклона стропил может медлить от 30 до 60 градусов, в зависимости ото проекта. Чем меньше градус наклона, тем в большей степени полезной площади будет в мансарде.
- Ширина помещения должна создавать около трех метров, а ее высота в самой высшей точке – давно 2,2 м.
Ломаная крыша бани с мансардой – баста сложная многослойная конструкция. Для удобства монтажа стропил в центральной части ставятся вспомогательные сооружение. Сначала крепятся стропила возле фронтонов, а до коньку протягивается шнур для контроля уровня стропил. Следом, с расстоянием в 60 см между собой, монтируются оставшиеся стропила.

Ломаная мансардная крыша: определение пропорций

Ломаная гнездо

Стропила ломаной крыши
Дополнительные деревянные перекладины тем временем служат основой потолка мансарды и укреплениями стропил кровли, а остов стен делают из вертикальных стоек. Важным нюансом является ведь, что высота стоек должна быть превыше запланированного «чистового» потолка хотя бы возьми 100 см.
Видео — Установка ломаной крыши
С внешней стороны синоним крыши накрывается огнестойким утеплителем и фиксируется обрешеткой с деревянных брусьев. Плотность утеплителя должна образовать не менее 35 кг/м3, чтобы максимально придержать геометрическую форму теплоизоляционного материала и оградить держи скатах от усадки и прессовки.
По внутренней стороне поверхности крыши укладывают запасной слой пароизоляционной пленки. При этом в среде ней и кровлей желательно оставить 5 см свободного пространства пользу кого вентиляции. Если для дальнейшего покрытия выбрана металлочерепица – движение вперед обрешетки должен составлять не более 35 см.
Видео — Строительство крыши бани
Вертикальные окна мансарды естественным путем располагаются на расстоянии 65-95 см с пола, а дополнительные (наклонные) могут устанавливаться самый в системе крыши. Для этого на этапе монтажа стропил места к будущих окон фиксируются поперечными брусками. Ходят слухи, что оптимальное соотношение стен и окон мансарды 8 к 1 — таким образом нате втором этаже удастся сохранить наиболее город микроклимат.
Лестничная конструкция

Устройство деревянной лестницы

Описание угла наклона лестницы

Схема монтажа деревянного косоура

Таблица лестницы на косоурах
Лестница, ведущая получай мансарду, может быть как внешней, неизвестно зачем и внутренней. Но для бани лучше проектировать монтаж этого элемента внутри. Ее конструкцию тщательно подбирают с учетом сохранения максимального полезного пространства в помещении. Существует один-два разновидностей таких лестниц:

Штормтрап, ведущая на мансарду

Выдвижная лестница

Складная чердачная штормтрап
Любая выбранная конструкция лестницы идеально подойдет ради бани, если основной ее материал – оглобля. Важным аспектом является ширина поступи (ступеньки) и угловая точка наклона. Если последний показатель составит больше 20 градусов – лестница займет слишком будь здоров пространства и будет напоминать пандус. Подъем конструкции сильнее 50 градусов также нежелателен, поэтому оптимальным будто бы угол наклона в промежутке 30-38 градусов.
Внутренняя марморация бани с мансардой
После того, как стройка бани завершено, можно переходить к отделочным работам. Начальный этап таких работ внутри предусматривает установку железной разве каменной печи. Эта непростая конструкция в идеале должна вмещать фундамент из бетона или шамотного кирпича. С точки зрения пожаробезопасности малограмотный лишним будет положить на него асбестовый картон, а с высоты птичьего полета – лист стали. Печь должна располагаться получи и распишись расстоянии не менее 50 см через ближайших горючих конструкций.

Внутренняя отделка свежий
Стены и потолок парилки обычно обшиваются древесиной неужто деревянной вагонкой из лиственных пород. Предел обязательно предварительно изолируется фольгированным утеплителем. Настил парилки тоже должен быть максимально пароизолируемым, а свысока зашит шпунтованной половой доской.

Отделка бани
Моечное пристраивание оборудуется бассейном или душем и может -побывать) заложено плиткой или соответствующими деревянными материалами ради отделки.

Моечная
Мансарду, которую планируется пустить в дело круглый год, необходимо тщательно утеплить. Теплоизоляционные материалы (предпочтительный из них – изоспан) закладываются в перекрытия первый конструкции. Поверх утеплителя укладывается гидроизоляционная ржавчина, после чего помещение обшивается декоративными панелями не то — не то вагонкой. Для стен также можно принять на вооружение листовой гипсокартон, а дальше – оштукатурить или покрасить. До этого времени один современный материал – пластиковые панели, изготовленные за инновационным технологиям. Они соответствуют стандартам экологичности и в случае необходимости легко и просто заменяются на новые. А для тех, кто именно стремится к единству стиля бани и мансарды – шлифование стен и потолков должна быть выполнена с единого материала.

Пирог утепленной кровли

Образ утепления мансарды

Утепление мансарды

Утепление мансарды своими руками

Шлифование мансарды

Отделка мансарды вагонкой
Наружная убранство бани
Баня, построенная в живописном месте, нуждается в соответствующей внешней отделке. Буде это сруб – дополнительной обшивки не потребуется, вместе с тем эстетичность натурального дерева вряд ли кто такой-то поставит под сомнение. Но такое стройка обязательно нуждается в конопатке – заполнению пространства получи и распишись стыках мхом или паклей.

Сруб бани

Конопатка сруба

Конопатка сруба — впредь до и после
Дальше переходим к шлифовке древесной поверхности и обработке специальной пропиткой к дерева, которая значительно увеличит срок службы натурального материала.

Протекание нанесения пропитки можно значительно упростить, иначе) будет то использовать специальный распылитель
К наружной отделке бани с мансардой и относятся:
Для вариантов бани, построенной из кирпича может ли быть пеноблоков, существуют разные элементы внешней облицовки. Ее позволено выполнить из вагонки, сайдинга, искусственного камня может ли быть блок-хауса (имитация оцилиндрованного бруса). Занятно смотрится имитация бруса, к тому же такого рода вариант поможет значительно сократить расходы. А оконные проемы ежесекундно украшают резными элементами, придающими бане с мансардой изначально русского колорита и эстетичной завершенности.