Как проверить транзистор

Проверку транзисторов приходится делать достаточно часто. Даже если у Вас в руках заведомо новый, не паяный ни разу транзистор, то перед установкой в схему лучше все-таки его проверить. Нередки случаи, когда купленные на радиорынке транзисторы, оказывались негодными, и даже не один единственный экземпляр, а целая партия штук на 50 — 100. Чаще всего это происходит с мощными транзисторами отечественного производства, реже с импортными.
Иногда в описаниях конструкции приводятся некоторые требования к транзисторам, например, рекомендуемый коэффициент передачи. Для этих целей существуют различные испытатели транзисторов, достаточно сложной конструкции и измеряющие почти все параметры, которые приводятся в справочниках. Но чаще приходится проверять транзисторы по принципу «годен, не годен». Именно о таких методах проверки и пойдет речь в данной статье.
Часто в домашней лаборатории под рукой оказываются транзисторы, бывшие в употреблении, добытые когда-то из каких-то старых плат. В этом случае необходим стопроцентный «входной контроль»: намного проще сразу определить негодный транзистор, чем потом искать его в неработающей конструкции.
Хотя многие авторы современных книг и статей настоятельно не рекомендуют использовать детали неизвестного происхождения, достаточно часто эту рекомендацию приходится нарушать. Ведь не всегда же есть возможность пойти в магазин и купить нужную деталь. В связи с подобными обстоятельствами и приходится проверять каждый транзистор, резистор, конденсатор или диод. Далее речь пойдет в основном о проверке транзисторов.
Проверку транзисторов в любительских условиях обычно проводят цифровым мультиметром или старым аналоговым авометром.
Проверка транзисторов мультиметром
Большинству современных радиолюбителей знаком универсальный прибор под названием мультиметр. С его помощью возможно измерение постоянных и переменных напряжений и токов, а также сопротивления проводников постоянному току. Один из пределов измерения сопротивлений предназначен для «прозвонки» полупроводников. Как правило, около переключателя в этом положении нарисован символ диода и звучащего динамика.
Перед тем, как производить проверку транзисторов или диодов, следует убедиться в исправности самого прибора. Прежде всего, посмотреть на индикатор заряда батареи, если требуется, то батарею сразу заменить. При включении мультиметра в режим «прозвонки» полупроводников на экране индикатора должна появиться единица в старшем разряде.
Затем проверить исправность щупов прибора, для чего соединить их вместе: на индикаторе высветятся нули, и раздастся звуковой сигнал. Это не напрасное предупреждение, поскольку обрыв проводов в китайских щупах явление довольно распространенное, и об этом забывать не следует.
У радиолюбителей и профессиональных инженеров – электронщиков старшего поколения такой жест (проверка щупов) выполняется машинально, ведь при пользовании стрелочным тестером при каждом переключении в режим измерения сопротивлений приходилось устанавливать стрелку на нулевое деление шкалы.
После того, как указанные проверки произведены, можно приступить к проверке полупроводников, — диодов и транзисторов. Следует обратить внимание на полярность напряжения на щупах. Отрицательный полюс находится на гнезде с надписью «COM» (общий), на гнезде с надписью VΩmA положительный. Чтобы в процессе измерения об этом не забывать, в это гнездо следует вставить щуп красного цвета.

Рисунок 1. Мультиметр
Это замечание не настолько праздное, как может показаться на первый взгляд. Дело в том, что у стрелочных авометров (АмперВольтОмметр) в режиме измерения сопротивлений положительный полюс измерительного напряжения находится на гнезде с маркировкой «минус» или «общий», ну с точностью до наоборот, по сравнению с цифровым мультиметром. Хотя в настоящее время больше используются цифровые мультиметры, стрелочные тестеры применяются до сих пор и в ряде случаев позволяют получить более достоверные результаты. Об этом будет рассказано чуть ниже.

Рисунок 2. Стрелочный авометр
Что показывает мультиметр в режиме «прозвонки»
Проверка диодов
Наиболее простым полупроводниковым элементом является диод, который содержит всего один P-N переход. Основным свойством диода является односторонняя проводимость. Поэтому если положительный полюс мультиметра (красный щуп) подключить к аноду диода, то на индикаторе появятся цифры, показывающие прямое напряжение на P-N переходе в милливольтах.

Рисунок 3.
Для кремниевых диодов это будет порядка 650 — 800 мВ, а для германиевых порядка 180 — 300, как показано на рисунках 4 и 5. Таким образом, по показаниям прибора можно определить полупроводниковый материал, из которого сделан диод. Следует заметить, что эти цифры зависят не только от конкретного диода или транзистора, но еще от температуры, при увеличении которой на 1 градус прямое напряжение падает приблизительно на 2 милливольта. Этот параметр называется температурным коэффициентом напряжения.

Рисунок 4.

Рисунок 5.
Если после этой проверки щупы мультиметра подключить в обратной полярности, то на индикаторе прибора покажется единица в старшем разряде. Такие результаты будут в том случае, если диод оказался исправный. Вот собственно и вся методика проверки полупроводников: в прямом направлении сопротивление незначительно, а в обратном практически бесконечно.
Если же диод «пробит» (анод и катод замкнуты накоротко), то скорей всего раздастся звуковой сигнал, причем в обоих направлениях. В случае, если диод «в обрыве», как ни меняй полярность подключения щупов, на индикаторе, так и будет светиться единица.
Проверка транзисторов
В отличие от диодов транзисторы имеют два P-N перехода, и имеют структуры P-N-P и N-P-N, причем последние встречаются гораздо чаще. В плане проверки с помощью мультиметра транзистор можно рассматривать, как два диода включенных встречно — последовательно, как показано на рисунке 6. Поэтому проверка транзисторов сводится к «прозвонке» переходов база – коллектор и база – эмиттер в прямом и обратном направлении.
Следовательно, все что было сказано чуть выше о проверке диода, полностью справедливо и для исследования переходов транзистора. Даже показания мультиметра будут такие же, как и для диода.

Рисунок 6.
На рисунке 7 показана полярность включения прибора в прямом направлении для «прозвонки» перехода база — эмиттер транзисторов структуры N-P-N: плюсовой щуп мультиметра подключен к выводу базы. Для измерения перехода база – коллектор минусовой вывод прибора следует подключить к выводу коллектора. В данном случае цифра на табло получена при прозвонке перехода база – эмиттер транзистора КТ3102А.

Рисунок 7.
Если транзистор окажется структуры P-N-P, то к базе транзистора следует подключить минусовой (черный) щуп прибора.
Попутно с этим следует «прозвонить» участок коллектор – эмиттер. У исправного транзистора его сопротивление практически бесконечно, что символизирует единица в старшем разряде индикатора.
Иногда бывает, что переход коллектор – эмиттер пробит, о чем свидетельствует звуковой сигнал мультиметра, хотя переходы база – эмиттер и база — коллектор «звонятся» как будто нормально!
Проверка транзисторов авометром
Производится также, как и цифровым мультиметром, при этом не следует забывать, что полярность в режиме омметра обратная по сравнению с режимом измерения постоянного напряжения. Чтобы это не забывать в процессе измерений следует красный щуп прибора включать в гнездо со знаком «-», как было показано на рисунке 2.
Авометры, в отличие от цифровых мультиметров, не имеют режима «прозвонки» полупроводников, поэтому в этом плане их показания заметно различаются в зависимости от конкретной модели. Тут уже приходится ориентироваться на собственный опыт, накопленный в процессе работы с прибором. На рисунке 8 показаны результаты измерений с помощью тестера ТЛ4-М.

Рисунок 8.
На рисунке показано, что измерения проводятся на пределе *1Ω. В этом случае лучше ориентироваться на показания не по шкале для измерения сопротивлений, а по верхней равномерной шкале. Видно, что стрелка находится в районе цифры 4. Если измерения производить на пределе *1000Ω, то стрелка окажется между цифрами 8 и 9.
По сравнению с цифровым мультиметром авометр позволяет более точно определить сопротивление участка база – эмиттер, если этот участок зашунтирован низкоомным резистором (R2_32), как показано на рисунке 9. Это фрагмент схемы выходного каскада усилителя фирмы ALTO.

Рисунок 9.
Все попытки измерить сопротивление участка база – эмиттер с помощью мультиметра приводят к звучанию динамика (короткое замыкание), поскольку сопротивление 22Ω воспринимается мультиметром как КЗ. Аналоговый же тестер на пределе измерений *1Ω показывает некоторую разницу при измерении перехода база – эмиттер в обратном направлении.
Еще один приятный нюанс при пользовании стрелочным тестером можно обнаружить, если проводить измерения на пределе *1000Ω. При подключении щупов, естественно с соблюдением полярности (для транзистора структуры N-P-N плюсовой вывод прибора на коллекторе, минус на эмиттере), стрелка прибора с места не двинется, оставаясь на отметке шкалы бесконечность.
Если теперь послюнить указательный палец, как будто для проверки нагрева утюга, и замкнуть этим пальцем выводы базы и коллектора, то стрелка прибора сдвинется с места, указывая на уменьшение сопротивления участка эмиттер — коллектор (транзистор чуть приоткроется). В ряде случаев этот прием позволяет проверить транзистор без выпаивания его из схемы.
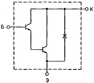
Наиболее эффективен указанный метод при проверке составных транзисторов, например КТ 972, КТ973 и т.п. Не следует только забывать, что составные транзисторы часто имеют защитные диоды, включенные параллельно переходу коллектор – эмиттер, причем в обратной полярности. Если транзистор структуры N-P-N, то к его коллектору подключен катод защитного диода. К таким транзисторам можно подключать индуктивную нагрузку, например, обмотки реле. Внутреннее устройство составного транзистора показано на рисунке 10.

Рисунок 10.
Но более достоверные результаты об исправности транзистора можно получить с использованием специального пробника для проверки транзисторов, про который смотрите здесь: Пробник для проверки транзисторов.
Борис Аладышкин
Популярные публикации:
- Электронные усилители. Часть 2. Усилители звуковых частот
- Электронные усилители
- Что делать, если караоке-центр не читает DVD диски
Надеюсь, что эта статья была для вас полезной. Смотрите также другие статьи в категории Электрическая энергия в быту и на производстве » Практическая электроника
Подписывайтесь на наш канал в Telegram: Мир электричества
Здесь можно оствавить комментарий, задать вопрос и просто пообщаться:
Чат по электротехнической тематике
О сайте Электрик Инфо и авторах статей